EasyManua.ls Logo

Tyco CPS6000 - Page 12

Tyco CPS6000
106 pages
Print Icon
To Next Page IconTo Next Page
To Next Page IconTo Next Page
To Previous Page IconTo Previous Page
To Previous Page IconTo Previous Page
Loading...
CPS6000 –48V Indoor/Outdoor Power Shelf
Issue 16 May 2006 12
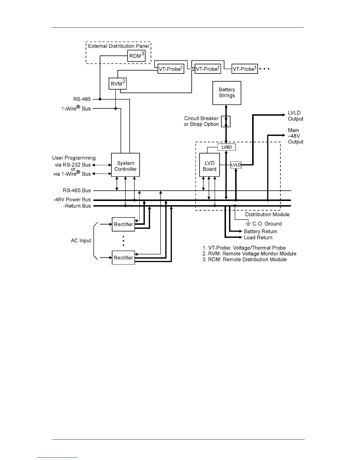
Figure 2-1b: CPS6000 System with Distribution Module