EasyManua.ls Logo

Ugolini MINI GEL

Ugolini MINI GEL
80 pages
Go to English
To Next Page IconTo Next Page
To Next Page IconTo Next Page
To Previous Page IconTo Previous Page
To Previous Page IconTo Previous Page
Loading...
19
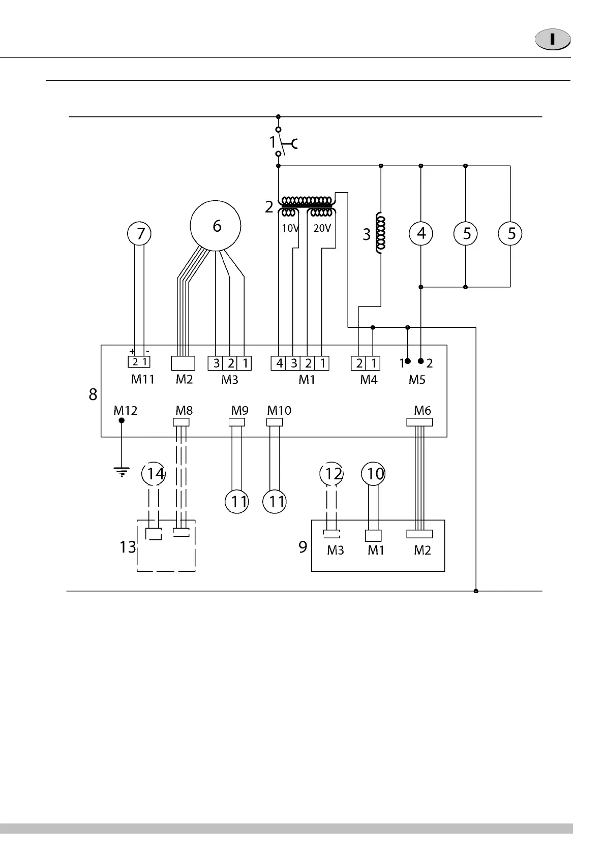
14 SCHEMA ELETTRICO
LEGENDA
1 Interruttore generale
2 Trasformatore
3 Elettrovalvola
4 Compressore
5 Ventilatore
6 Motoriduttore
7 Ventilatore sbrinamento
8 Scheda di potenza
9 Scheda display
10 Sonda di temperatura
11 Interruttori reed sicurezza

Related product manuals