EasyManua.ls Logo

Ugolini MINI GEL

Ugolini MINI GEL
80 pages
Go to English
To Next Page IconTo Next Page
To Next Page IconTo Next Page
To Previous Page IconTo Previous Page
To Previous Page IconTo Previous Page
Loading...
77
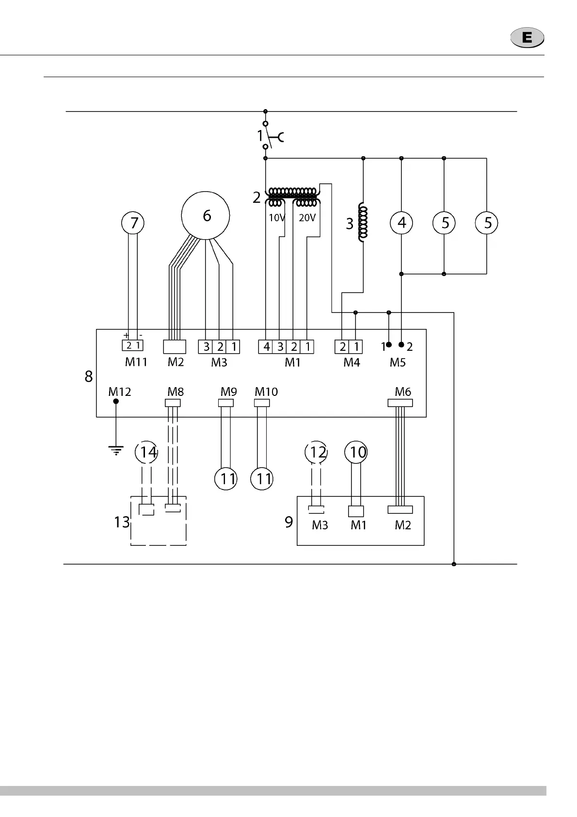
14 ESQUEMA ELÉCTRICO
LEYENDA
1 Interruptor general
2 Transformador
3 Electroválvula
4 Compresor
5 Ventilador
6 Motorreductor
7 Ventilador deshielo
8 Tarjeta de potencia
9 Tarjeta pantalla de visualización
10 Sonda de temperatura
11 Interruptores reed seguridad

Related product manuals