EasyManua.ls Logo

Ugolini MINI GEL

Ugolini MINI GEL
80 pages
Go to English
To Next Page IconTo Next Page
To Next Page IconTo Next Page
To Previous Page IconTo Previous Page
To Previous Page IconTo Previous Page
Loading...
58
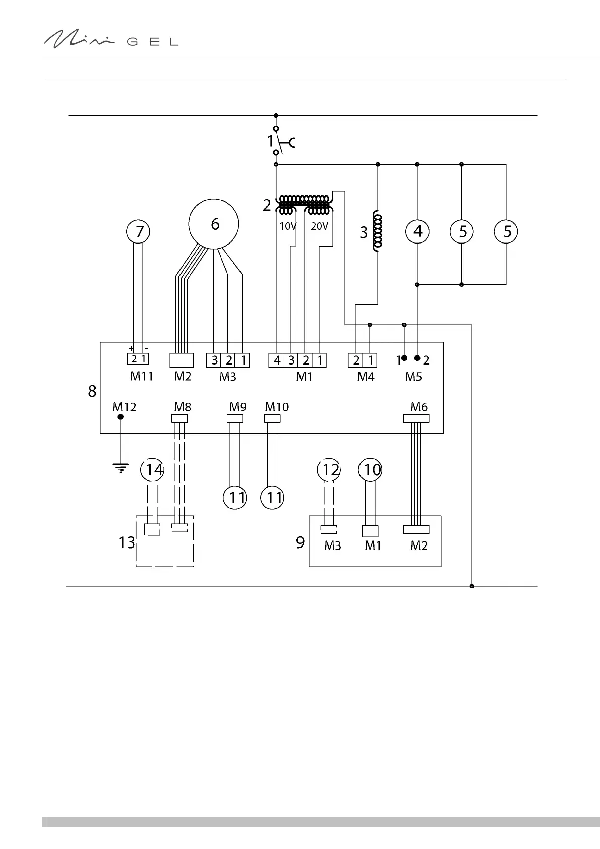
14 SCHEMA ELECTRIQUE
LEGENDE
1 Interrupteur général
2 Transformateur
3 Electrovalve
4 Compresseur
5 Ventilateur
6 Motoréducteur
7 Ventilateur de dégivrage
8 Carte de puissance
9 Carte d’affichage
10 Sonde de température
11 Interrupteurs de sécurité reed

Related product manuals