EasyManua.ls Logo

Ugolini MINI GEL

Ugolini MINI GEL
80 pages
Go to English
To Next Page IconTo Next Page
To Next Page IconTo Next Page
To Previous Page IconTo Previous Page
To Previous Page IconTo Previous Page
Loading...
39
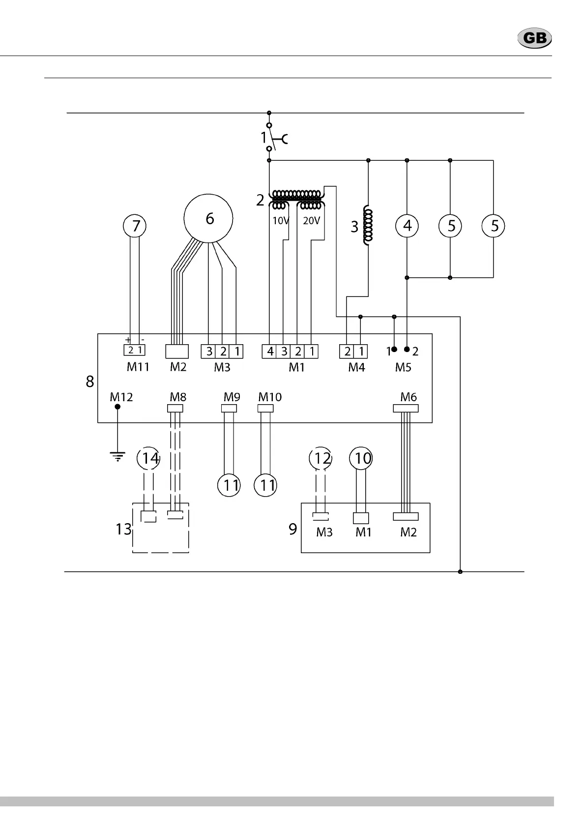
14 WIRING DIAGRAM
KEY
1 Master Switch
2 Transformer
3 Electrovalve
4 Compressor
5 Fan
6 Geared motor
7 Defrost fan
8 Power supply circuit board
9 Display circuit board
10 Temperature probe
11 Reed safety switches

Related product manuals