EasyManua.ls Logo

Ulvac DPG-30R - Page 23

Default Icon
65 pages
Print Icon
To Next Page IconTo Next Page
To Next Page IconTo Next Page
To Previous Page IconTo Previous Page
To Previous Page IconTo Previous Page
Loading...
DC Power Supply [DPG-30R & DPG-MC60R, DPG-MC120R, DPG-MC240R]
2. Overview
13
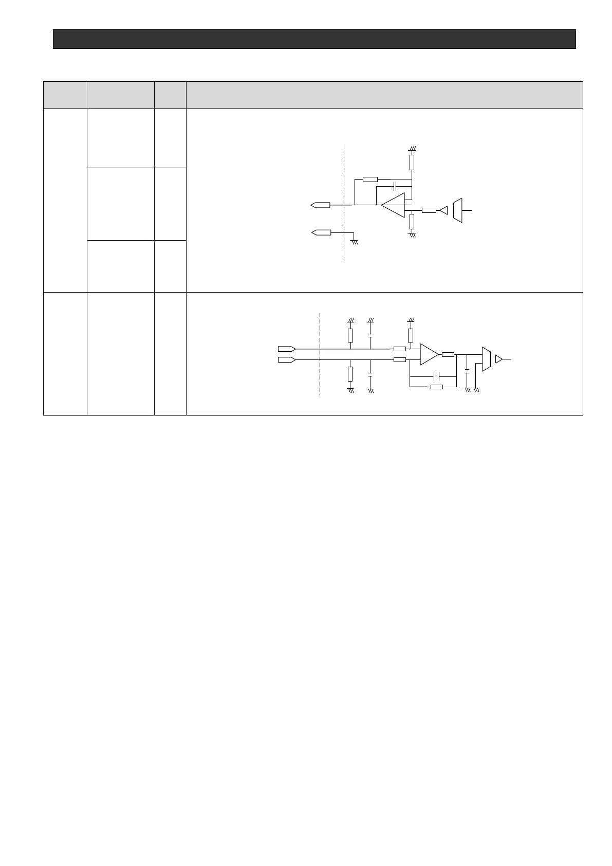
Signal
type
Signal
Pin
No
Equivalent circuit
AO
Analog
output
DCP
2
AO
ISO AMP
COM A
COM A
COM A
DPG-MC60R,120R, 240R
AD INTERFACE side
PLC side
-
+
DCV
3
DCI
4
AI
Analog
input
LEVEL (*)
21
LEVEL
COM L
0.01μF2. 2 kΩ
0.01μF
2. 2 kΩ
COM L COM L
COM LCOM L
PLC side
DPG-MC60R,120R, 240R AD INTERFACE side
COM L
+
-
ISO AMP
COM L
* Use the LEVEL signal at 10.0 Vmax during P control, 9.17 Vmax during I control, and 8.0 Vmax
during V control. When the levels above are exceeded, an error occurs and output is stopped.

Table of Contents