EasyManua.ls Logo

unicraft PG-E Series - Page 26

unicraft PG-E Series
54 pages
Print Icon
To Next Page IconTo Next Page
To Next Page IconTo Next Page
To Previous Page IconTo Previous Page
To Previous Page IconTo Previous Page
Loading...
26 PG-E-Series | Version 2.15
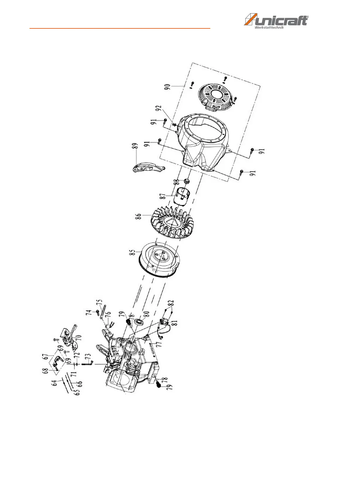
Spare parts
Spare parts drawing 4: PG-E 30 SRA
Fig. 28: Spare parts drawing 4 PG-E 30 SRA

Related product manuals