EasyManua.ls Logo

unicraft PG-E Series - Electrical Circuit Diagrams

unicraft PG-E Series
54 pages
Print Icon
To Next Page IconTo Next Page
To Next Page IconTo Next Page
To Previous Page IconTo Previous Page
To Previous Page IconTo Previous Page
Loading...
48 PG-E-Series | Version 2.15
Electrical Circuit Diagrams
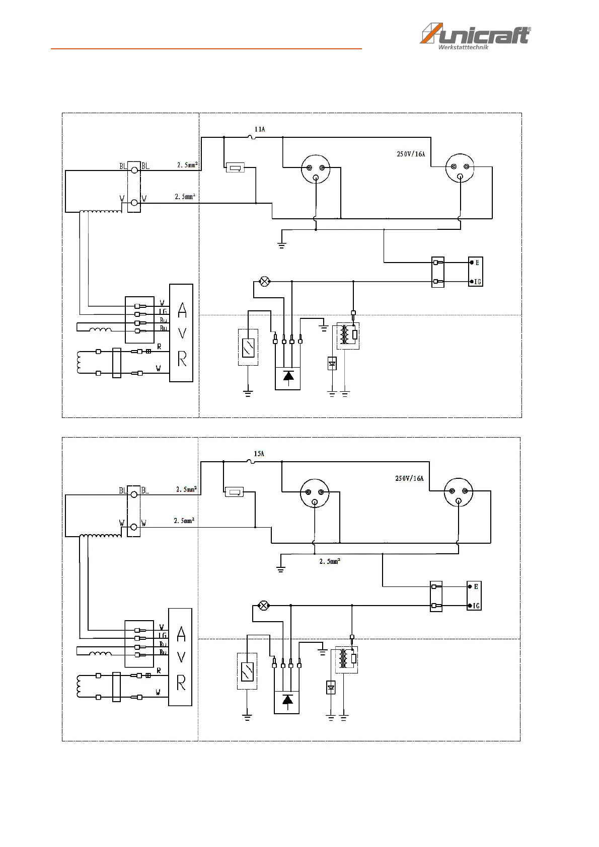
13 Electrical Circuit Diagrams
Fig. 51: Electrical circuit diagrams PG-E 30 SRA (above) and PG-E 40 SRA (below)

Related product manuals