EasyManua.ls Logo

Vaillant VR32 - Page 59

Vaillant VR32
Print Icon
To Next Page IconTo Next Page
To Next Page IconTo Next Page
To Previous Page IconTo Previous Page
To Previous Page IconTo Previous Page
Loading...
9Instrucciones de instalación VR 32 ES
5 Instalación eléctrica
5.1 Conexión del acoplador de bus (en
cascada)
1
VR 32 VR 32 VR 32
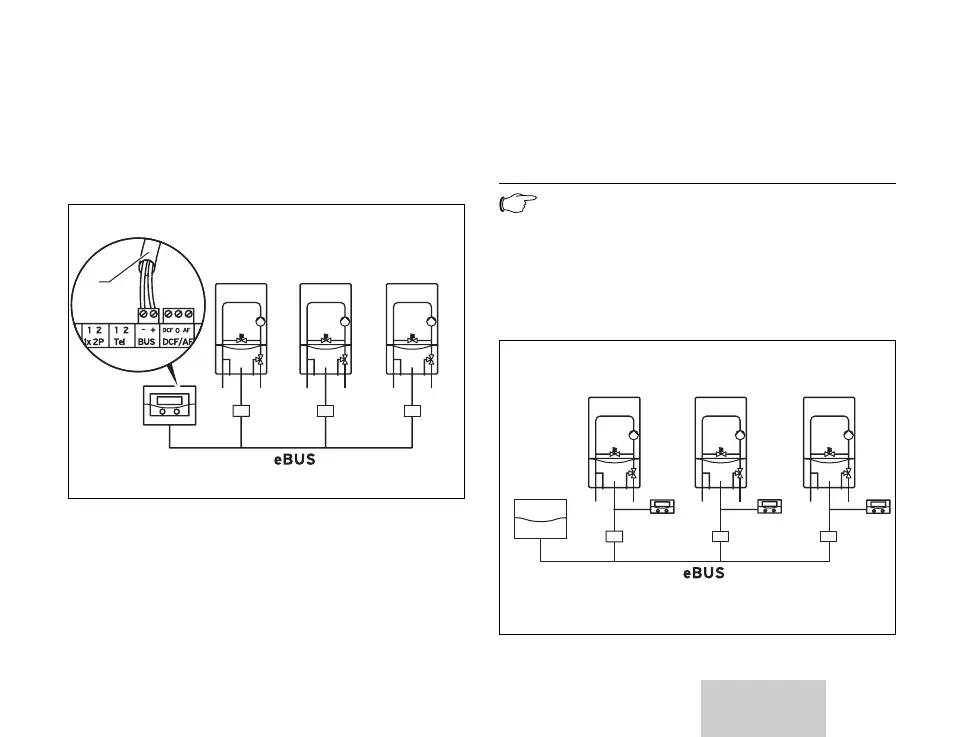
Fig. 5.1 Conexión del acoplador de bus (en cascada)
Conecte la línea de bus (1) al regulador de
bus modular (denominación del terminal:
BUS).
Sólo en combinación con vrnetDIALOG:
conecte el acoplador de bus a la línea de
bus en vrnetDIALOG.
¡Observación!
El eBUS se puede ramificar en cual-
quier lugar del sistema.
5.2 Conexión del acoplador de bus
(equipos 1..16)
vrnetDIALOG
VR 32 VR 32 VR 32
Fig. 5.2.
Conexión del acoplador de bus (equipos 1..16)
Instalación eléctrica 5

Table of Contents

Related product manuals