EasyManua.ls Logo

Vaillant VR32 - Page 71

Vaillant VR32
Print Icon
To Next Page IconTo Next Page
To Next Page IconTo Next Page
To Previous Page IconTo Previous Page
To Previous Page IconTo Previous Page
Loading...
9Montaj Kılavuzu VR 32 TR
5 Elektrik Bağlantıları
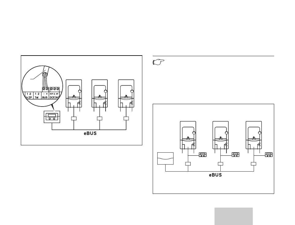
5.1 Bus-coupler‘ın Bağlanması (Kaskad)
1
VR 32 VR 32 VR 32
Şekil 5.1 Bus-coupler‘ın bağlanması (kaskad)
• Bus kablosunu (1) modüler bus kontrol
ünitesine bağlayın (klemens işareti: BUS).
Sadece vrnetDIALOG ile bağlantılı olarak:
Bus-coupler‘ı vrnetDIALOG‘da bulunan bus
kablosuna bağlayın.
Uyarı!
eBUSa sistemin herhangi bir yerinde
branşman yapılabilir.
5.2 Bus-coupler‘ın Bağlanması (1..16
Sistem)
vrnetDIALOG
VR 32 VR 32 VR 32
Şekil 5.2 Bus-coupler‘ın bağlanması (1..16 sistem)
Elektrik Bağlantıları 5

Table of Contents

Related product manuals