EasyManua.ls Logo

Vaillant VR32 - Electrical installation; Connecting the bus coupler (cascade); Connecting the bus coupler (system 1 - 16)

Vaillant VR32
Print Icon
To Next Page IconTo Next Page
To Next Page IconTo Next Page
To Previous Page IconTo Previous Page
To Previous Page IconTo Previous Page
Loading...
9Installation Manual for VR 32 GB
5 Electrical installation
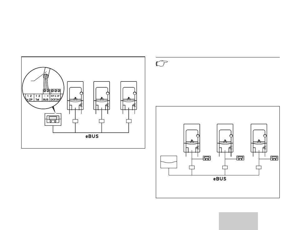
5.1 Connecting the bus coupler (cascade)
1
VR 32 VR 32 VR 32
Fig. 5.1 Connecting the bus coupler (cascade)
Connect the bus line (1) in the bus modular
controller (terminal designation: BUS).
In combination with vrnetDIALOG only:
Connect the bus coupler to the bus line in
the vrnetDIALOG.
Note
The eBUS can be branched at any
part of the system.
5.2 Connecting the bus coupler
(system 1 - 16)
vrnetDIALOG
VR 32 VR 32 VR 32
Fig. 5.2 Connecting the bus coupler (system 1 - 16)
Electrical installation 5

Table of Contents

Related product manuals