EasyManua.ls Logo

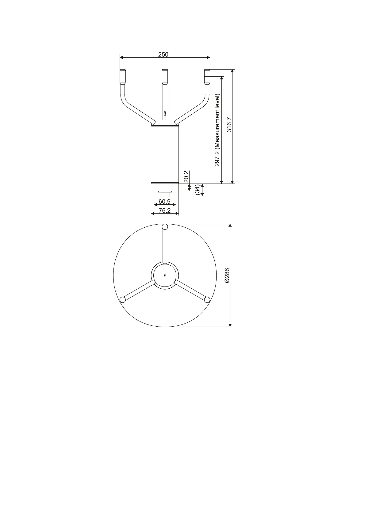
Vaisala WINDCAP WS425 - Figure 3 WS425 Main Dimensions

Vaisala WINDCAP WS425
86 pages
Print Icon
To Next Page IconTo Next Page
To Next Page IconTo Next Page
To Previous Page IconTo Previous Page
To Previous Page IconTo Previous Page
Loading...
Chapter 3 _______________________________________________________________ Installation
VAISALA _______________________________________________________________________ 25
0212-045
Figure 3 WS425 Main Dimensions
The dimensions are in millimeters.

Table of Contents

Related product manuals