EasyManua.ls Logo

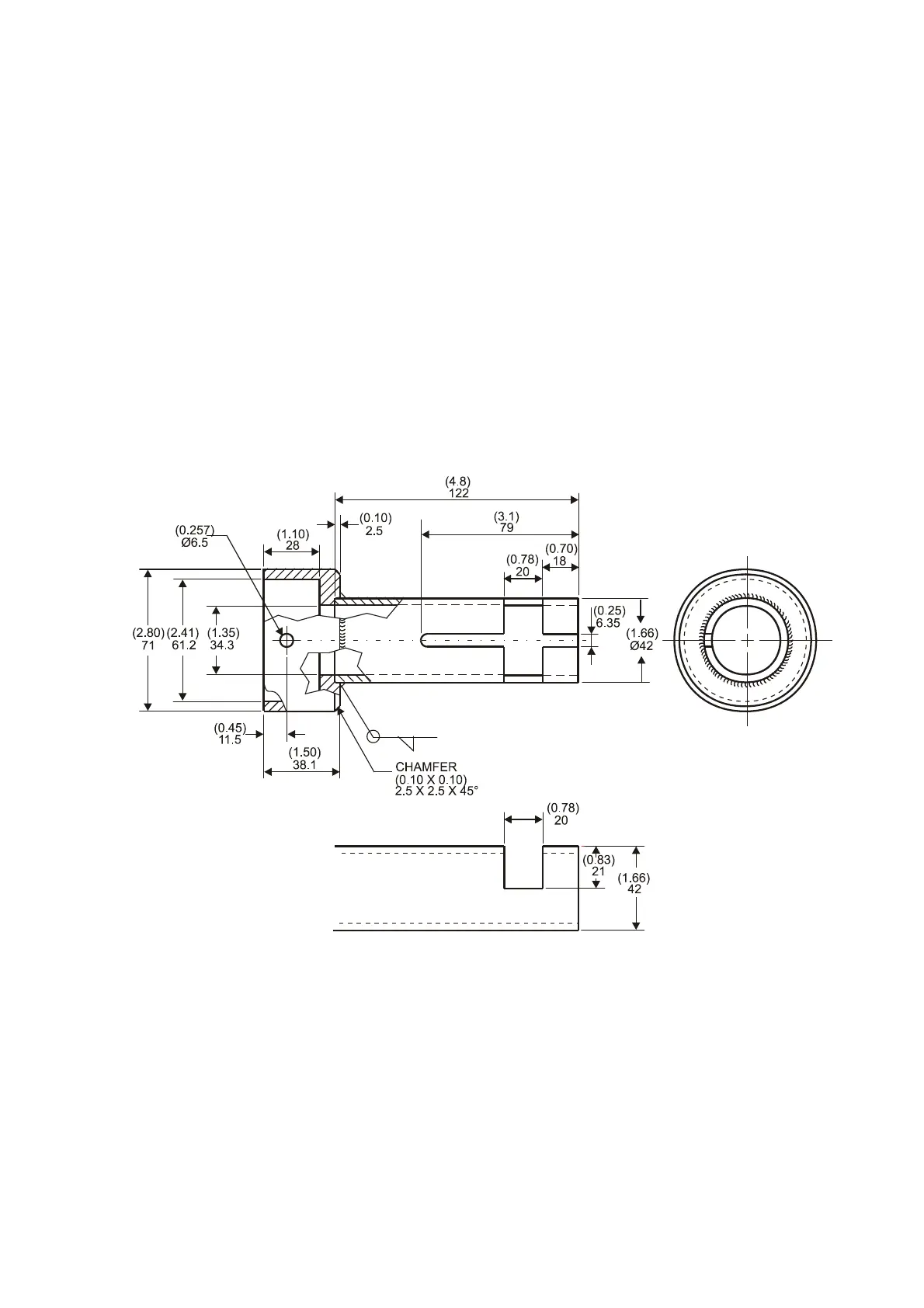
Vaisala WINDCAP WS425 - Appendix Adrawings; Figure 15 WS425 FIX30 Adapter

Vaisala WINDCAP WS425
86 pages
Print Icon
To Next Page IconTo Next Page
To Next Page IconTo Next Page
To Previous Page IconTo Previous Page
To Previous Page IconTo Previous Page
Loading...
Appendix A ________________________________________________________________Drawings
VAISALA _______________________________________________________________________ 81
APPENDIX A
DRAWINGS
0212-043
Figure 15 WS425FIX30 Adapter

Table of Contents

Related product manuals