EasyManua.ls Logo

Vanner IQ Series - Page 2

Vanner IQ Series
44 pages
Print Icon
To Next Page IconTo Next Page
To Next Page IconTo Next Page
To Previous Page IconTo Previous Page
To Previous Page IconTo Previous Page
Loading...
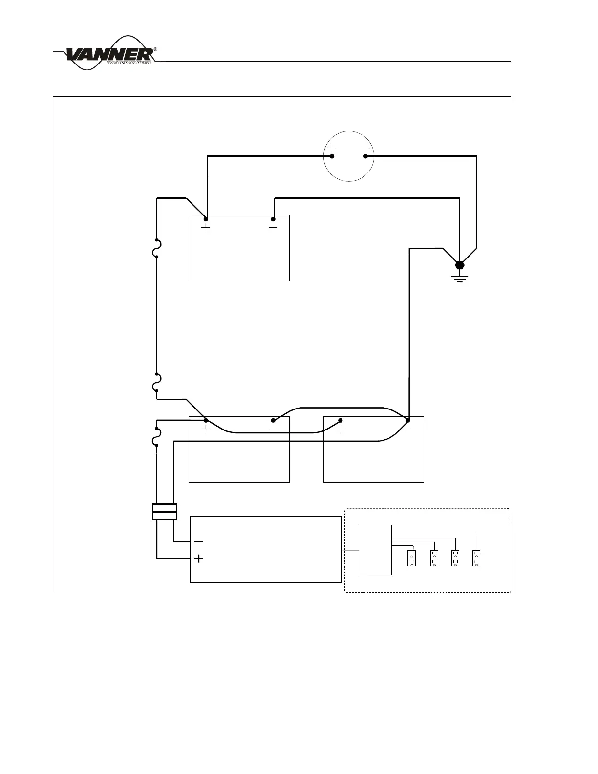
Typical Static Inverter Installation Sketch
- 2 - IQ SERIES OWNERS MANUAL
OEM Wire
OEM Wire
OEM Wire
Common OEM
Ground at Starter
or Engine Block
IQ Series
Static Inverter
Circuit
Breaker
Panel
Inverter Fuse
See chart for Fuse
and Wire size.
Accessory
Polarized Quick
Connectors
1/0 Wire Minimum
1/0 Wire Minimum
Field AC Wiring
OEM
Battery
Inverter
Batteries
Inverter
Batteries
OEM
Alternator
AC-out

Table of Contents

Related product manuals