EasyManua.ls Logo

VARISCO JB - Page 18

VARISCO JB
Print Icon
To Next Page IconTo Next Page
To Next Page IconTo Next Page
To Previous Page IconTo Previous Page
To Previous Page IconTo Previous Page
Loading...
18
ISTRUCTIONS FOR THE USE AND MAINTENANCE - JB / JD
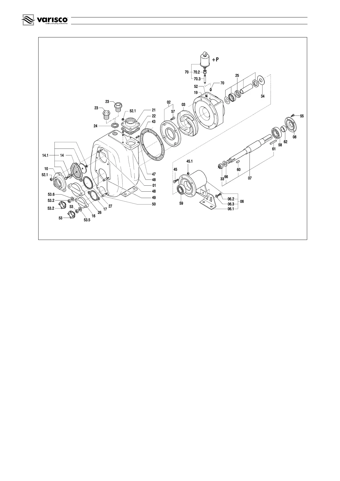
fig. 18
12.2 Replacing the impeller (fig. 18)
- Empty the pump casing (see par. 7).
Attention: residual liquid may be found in the pump casing, head and suction line. Take the necessary precautions if the liquid is hazardous
(inflammable, corrosive, poisonous, infected).
- Unscrew the nuts (52) and remove the pump casing taking care not to damage the casing gasket (43).
- Block the impeller (03) and unscrew the self-locking impeller nut (33).
- Remove the impeller and replace it with a new one.
- If necessary, replace the casing gasket (43).
- To reassemble, proceed in reverse order.
- Check the exact position of the impeller with respect to the wear plate as indicated in paragraph 12.6.
12.3 Replacing the wear plate (fig. 18)
- Empty the pump casing (see par. 7).
Attention: residual liquid may be found in the pump casing, head and suction line. Take the necessary precautions if the liquid is hazardous
(inflammable, corrosive, poisonous, infected).
- Unscrew the nuts (52) and remove the pump casing, taking care not to damage the casing gasket (43)
- Unscrew the wear plate screws (57)
- Remove and replace the wear plate (02)
- If necessary, replace the casing gasket (43)
- To reassemble, proceed in reverse order
- Check the exact position of the impeller with respect to the wear plate as indicated in paragraph 12.6.
12.4 Replacing the check valve (fig. 18)
- Empty the pump casing (see par. 7).
Attention: residual liquid may be found in the pump casing, head and suction line. Take the necessary precautions if the liquid is hazardous
(inflammable, corrosive, poisonous, infected).
- Remove the nuts (52.1)
- Slip off the suction flange (10)
- Slip off the check valve (14)
- Mount the new check valve with the hinge towards the top
- Clean the valve seat of the suction flange (10) and reassemble it
- Some check valves have a tongue which protrudes outside the suction flange. In this case, the weight of the check valve must be
borne while tightening the nuts by pulling this tongue.
12.5 Replacing the mechanical seal, type 1 or 2 (figs. 18, 19, 20)
- Empty the pump casing (see par. 7).
Attention: residual liquid may be found in the pump casing, head and suction line. Take the necessary precautions if the liquid is hazardous
(inflammable, corrosive, poisonous, infected).

Table of Contents

Related product manuals