EasyManua.ls Logo

VARISCO JB - Page 29

VARISCO JB
Print Icon
To Next Page IconTo Next Page
To Next Page IconTo Next Page
To Previous Page IconTo Previous Page
To Previous Page IconTo Previous Page
Loading...
29
ISTRUCTIONS POUR L’UTILISATION ET L’ENTRETIEN - JB / JD
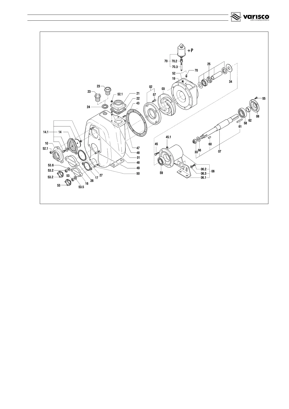
fig. 18
12.2 Remplacement de la turbine (fig. 18)
- Vider le corps de la pompe comme indiqué au paragraphe 7.
Attention: des résidus de liquide peuvent rester dans le corps de la pompe, dans le porte-moteur et dans le tuyau d’aspiration; prendre les
précautions qui s’imposent si le liquide est dangereux (inflammable, corrosif, toxique, pollué, etc.).
- Dévisser les écrous (52) et enlever le corps de la pompe en veillant à ne pas abîmer le joint (43).
- Bloquer la turbine (03) et dévisser l’écrou à blocage automatique (33).
- Enlever la turbine et la remplacer par une neuve.
- Remplacer éventuellement le joint (43).
- Procéder de la même façon mais en sens inverse pour remonter la turbine.
- Contrôler si la turbine est bien placée par rapport à la plaque d’usure, comme indiqué au point 12.6.
12.3 Remplacement de la plaque d’usure (fig. 18)
- Vider le corps de la pompe comme indiqué au paragraphe 7.
Attention: des résidus de liquide peuvent rester dans le corps de la pompe, dans le porte-moteur et dans le tuyau d’aspiration; prendre les
précautions qui s’imposent si le liquide est dangereux (inflammable, corrosif, toxique, pollué, etc.).
- Dévisser les écrous (52) et enlever le corps de la pompe en veillant à ne pas abîmer le joint (43).
- Dévisser les vis à tête hexagonale encastrée (57).
- Enlever et remplacer la plaque d’usure (02).
- Remplacer éventuellement le joint (43).
- Procéder de la même façon mais en sens inverse pour remonter la plaque d’usure.
- Contrôler si la turbine est bien placée par rapport à la plaque d’usure, comme indiqué au point 12.6.
12.4 Remplacement de la soupape (fig. 18)
- Vider le corps de la pompe comme indiqué au paragraphe 7.
Attention: des résidus de liquide peuvent rester dans le corps de la pompe, dans le porte-moteur et dans le tuyau d’aspiration; prendre les
précautions qui s’imposent si le liquide est dangereux (inflammable, corrosif, toxique, pollué, etc.).
- Enlever les écrous (52.1).
- Retirer le porte-soupape (10).
- Retirer la soupape (14).
- Monter la soupape neuve avec la charnière tournée vers le haut.
- Nettoyer le logement de la soupape du porte-soupape (10) et le remonter.
- Certaines soupapes sont équipées d’une languette qui dépasse à l’extérieur. Il faut alors soutenir le poids de la soupape en tirant la
languette au moment de fixer les écrous.
12.5 Remplacement de la garniture de type 1 ou 2 (référence fig. 18, 19 et 20).
- Vider le corps de la pompe comme indiqué au par. 7.
Attention: des résidus de liquide peuvent rester dans le corps de la pompe, dans le porte-moteur et dans le tuyau d’aspiration; prendre les
précautions qui s’imposent si le liquide est dangereux (inflammable, corrosif, toxique, pollué, etc.).

Table of Contents

Related product manuals