EasyManua.ls Logo

VARISCO JB - Page 40

VARISCO JB
Print Icon
To Next Page IconTo Next Page
To Next Page IconTo Next Page
To Previous Page IconTo Previous Page
To Previous Page IconTo Previous Page
Loading...
40
BETRIEBS-UND WARTUNGSANLEITUNGEN - JB / JD
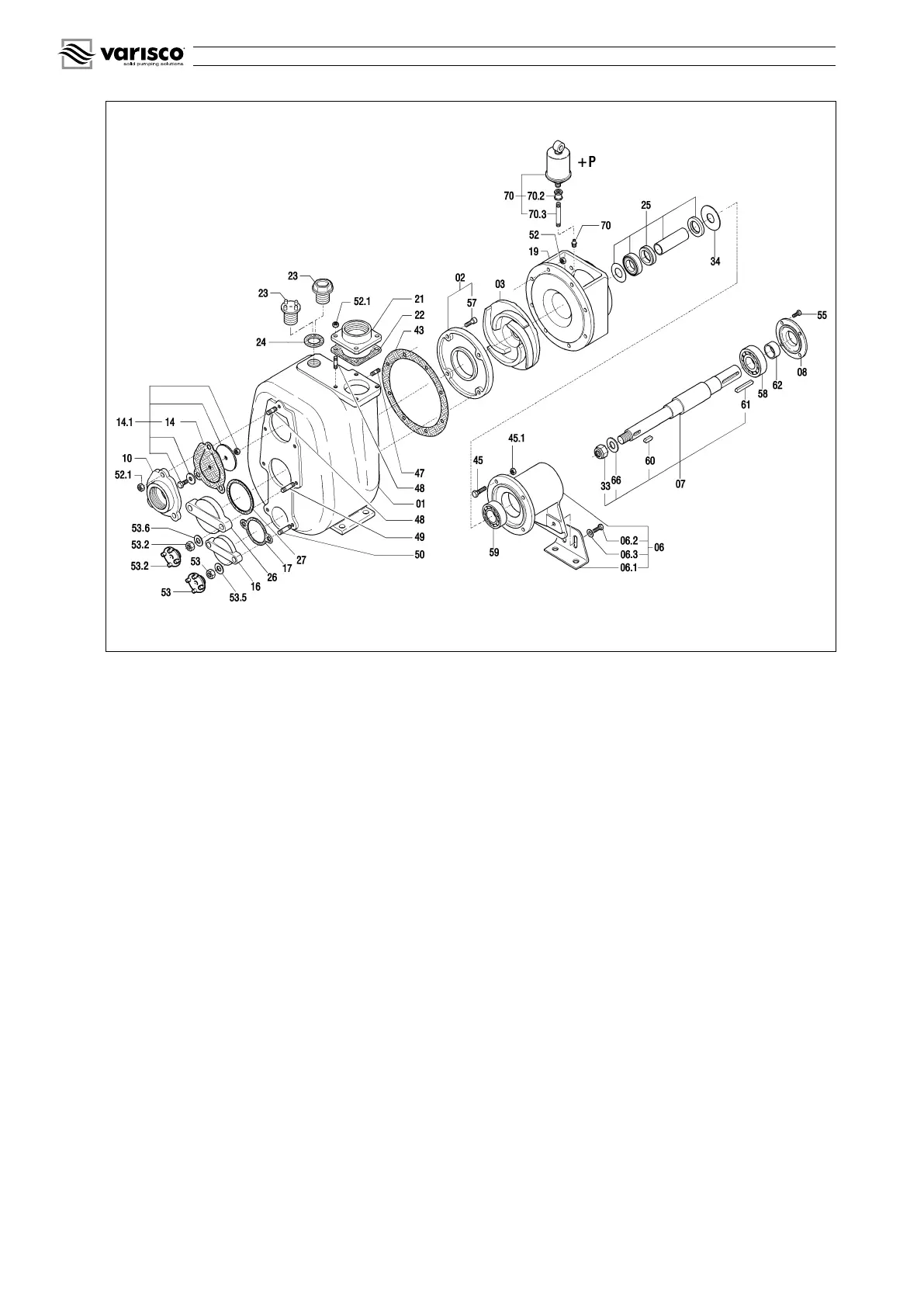
Abb. 18
12.2 Ersetzung des Laufrades (Abb. 18)
- Den Pumpenkörper entleeren wie in Abschnitt 7 gezeigt.
Achtung: es können Flüssigkeitsrückstände im Innern des Pumpengehäuses, der Motorhalterung sowie in der Ansaugleitung bleiben; bei
gefährlichen (entflammbaren, ätzenden, giftigen, infiziernden usw.) Flüssigkeiten die erforderlichen Maßnahmen ergreifen.
- Die Muttern (52) lösen und den Pumpenkörper entfernen; dabei darauf achten, dass die Dichtung (43) nicht beschädigt wird.
- Das Laufrad (03) blockieren und die selbstblockierende Mutter (33) abschrauben.
- Das Laufrad entfernen und mit einem neuen ersetzen.
- Gegebenenfalls die Dichtung (43) ersetzen.
- Beim Einbau in umgekehrter Reihenfolge vorgehen.
- Die genaue Position des Laufrades mit Bezug auf den Verschleißteller kontrollieren, wie in Punkt 12.6 angegeben.
12.3 Ersetzung des Verschleißtellers (Abb. 18)
- Den Pumpenkörper entleeren wie in Abschnitt 7 gezeigt.
Achtung: es können Flüssigkeitsrückstände im Innern des Pumpengehäuses, der Motorhalterung sowie in der Ansaugleitung bleiben; bei
gefährlichen (entflammbaren, ätzenden, giftigen, infiziernden usw.) Flüssigkeiten die erforderlichen Maßnahmen ergreifen.
- Die Muttern (52) lösen und den Pumpenkörper entfernen; dabei darauf achten, dass die Dichtung (43) nicht beschädigt wird;
- Die Innensechskantschrauben (57) lösen
- Den Verschleißteller (02) ausbauen und ersetzen
- Gegebenenfalls die Dichtung (43) ersetzen
- Beim Einbau in umgekehrter Reihenfolge vorgehen.
- Die genaue Position des Laufrades mit Bezug auf den Verschleißteller kontrollieren, wie in Punkt 12.6 angegeben.
12.4 Ersetzung des Ventils (fig. 18)
- Den Pumpenkörper entleeren, wie in Abschnitt 7 gezeigt.
Achtung: es können Flüssigkeitsrückstände im Innern des Pumpengehäuses, der Motorhalterung sowie in der Ansaugleitung bleiben; bei
gefährlichen (entflammbaren, ätzenden, giftigen, infiziernden usw.) Flüssigkeiten die erforderlichen Maßnahmen ergreifen.
- die Muttern (52.1) entfernen
- die Ventilhalterung (10) herausnehmen
- das Ventil (14) herausnehmen
- das neue Ventil mit dem Scharnier nach oben einsetzen
- den Ventilsitz der Ventilhalterung (10) reinigen und wieder einsetzen
- einige Ventile weisen eine Feder auf, die nach außen übersteht; in diesem Fall muss beim Anziehen der Muttern das Gewicht des
Ventils durch Ziehen der Feder getragen werden.
12.5 Ersetzung der Dichtung Typ 1 oder 2 (Bezug Abb. 18, 19 und 20)
- Den Pumpenkörper entleeren, wie in Abschnitt 7 gezeigt.
Achtung: es können Flüssigkeitsrückstände im Innern des Pumpengehäuses, der Motorhalterung sowie in der Ansaugleitung bleiben; bei
gefährlichen (entflammbaren, ätzenden, giftigen, infiziernden usw.) Flüssigkeiten die erforderlichen Maßnahmen ergreifen.

Table of Contents

Related product manuals