EasyManua.ls Logo

VARISCO JB - Page 51

VARISCO JB
Print Icon
To Next Page IconTo Next Page
To Next Page IconTo Next Page
To Previous Page IconTo Previous Page
To Previous Page IconTo Previous Page
Loading...
51
ISTRUCCIONES PARA EL USO Y MANTENIMENTO - JB / JD
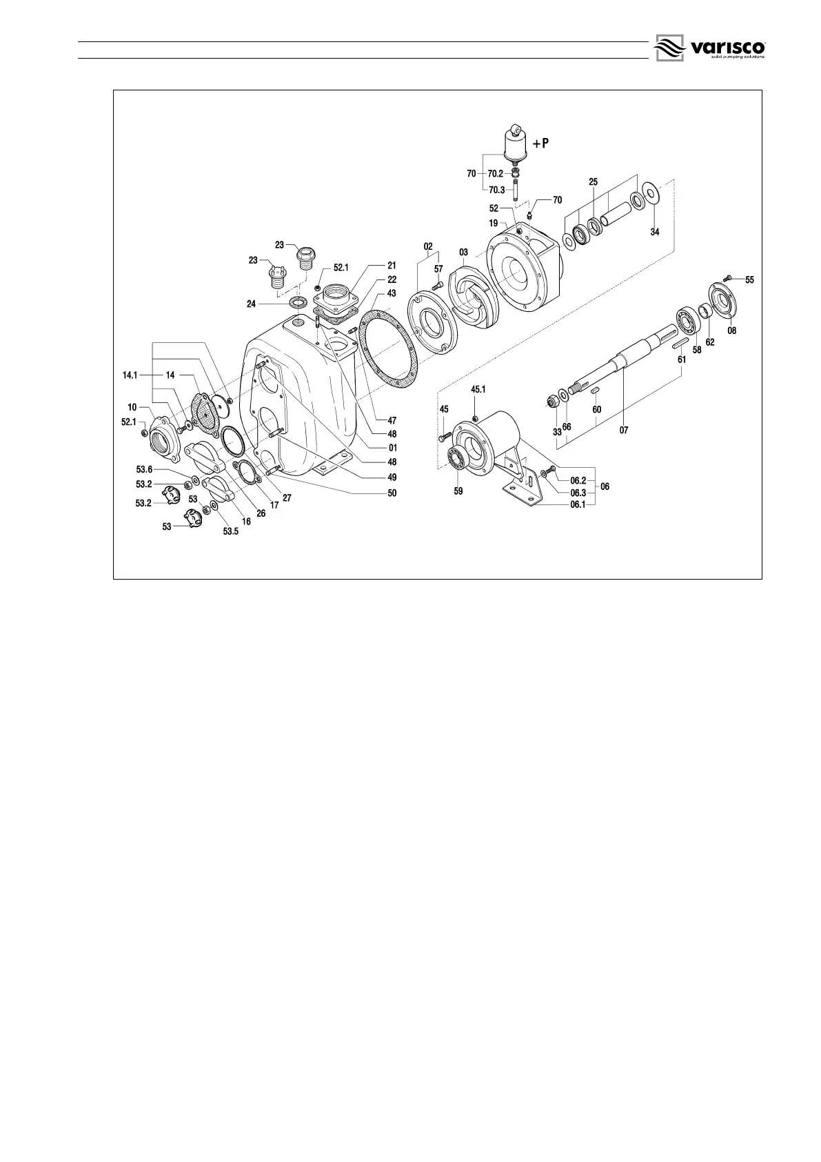
fig. 18
12.2 Sustitución de la rueda de álabes (fig. 18)
- Vaciar el cuerpo de la bomba como indicado en la sección 7.
Atención: pudieran quedar restos de líquido en el cuerpo de la bomba, en el portamotor, en el conducto de aspiración; tomar las debidas
precauciones si el líquido es peligroso (inflamable, corrosivo, venenoso, infectado, etc.).
- Destornillar las tuercas (52) y sacar el cuerpo de la bomba, tratando de no dañar la guarnición (43).
- Parar a la rueda de álabes (03) y destornillar la tuerca autobloqueante (33).
- Sacar la rueda de álabes y reemplazarla con un nueva.
- Eventualmente reemplazar la guarnición (43).
- Para el montaje proceder al revés.
- Controlar la exacta posición de la rueda de álabes con respecto al plato de desgaste como indicado en el punto 12.6.
12.3 Sustitución del plato de desgaste (fig. 18)
- Vaciar el cuerpo de la bomba como indicado en la sección 7.
Atención: pudieran quedar restos de líquido en el cuerpo de la bomba, en el portamotor, en el conducto de aspiración; tomar las debidas
precauciones si el líquido es peligroso (inflamable, corrosivo, venenoso, infectado, etc.).
- Destornillar las tuercas (52) y sacar el cuerpo de la bomba, tratando de no dañar la guarnición (43);
- Destornillar los tornillos de cabeza hexagonal (57)
- Sacar y sustituir el plato de desgaste (02)
- Eventualmente reemplazar la guarnición (43)
- Para el montaje proceder al revés.
- Controlar la exacta posición de la rueda de álabes con respecto al plato de desgaste como indicado en el punto 12.6.
12.4 Sustitución de la válvula (fig. 18)
- Vaciar el cuerpo de la bomba como indicado en la sección 7.
Atención: pudieran quedar restos de líquido en el cuerpo de la bomba, en el portamotor, en el conducto de aspiración; tomar las debidas
precauciones si el líquido es peligroso (inflamable, corrosivo, venenoso, infectado, etc.).
- sacar las tuercas (52.1)
- sacar el portaválvula (10)
- sacar la válvula (14)
- montar la nueva válvula con la bisagra hacia arriba
- limpiar el alojamiento de la válvula del portaválvula (10) y reensamblarlo
- algunas válvulas cuentan con una lengüeta que avanza al exterior, en este caso, al fijar las tuercas se debe sustentar el peso de la
válvula tirando la lengüeta.
12.5 Sustitución de la junta estanca tipo 1 o 2 (referencia fig. 18, 19, 20)
- Vaciar el cuerpo de la bomba como indicado en la sección 7.
Atención: pudieran quedar restos de líquido en el cuerpo de la bomba, en el portamotor, en el conducto de aspiración; tomar las debidas
precauciones si el líquido es peligroso (inflamable, corrosivo, venenoso, infectado, etc.).

Table of Contents

Related product manuals