EasyManua.ls Logo

VARISCO JB - Page 7

VARISCO JB
Print Icon
To Next Page IconTo Next Page
To Next Page IconTo Next Page
To Previous Page IconTo Previous Page
To Previous Page IconTo Previous Page
Loading...
7
ISTRUZIONI PER L’USO E MANUTENZIONE - JB / JD
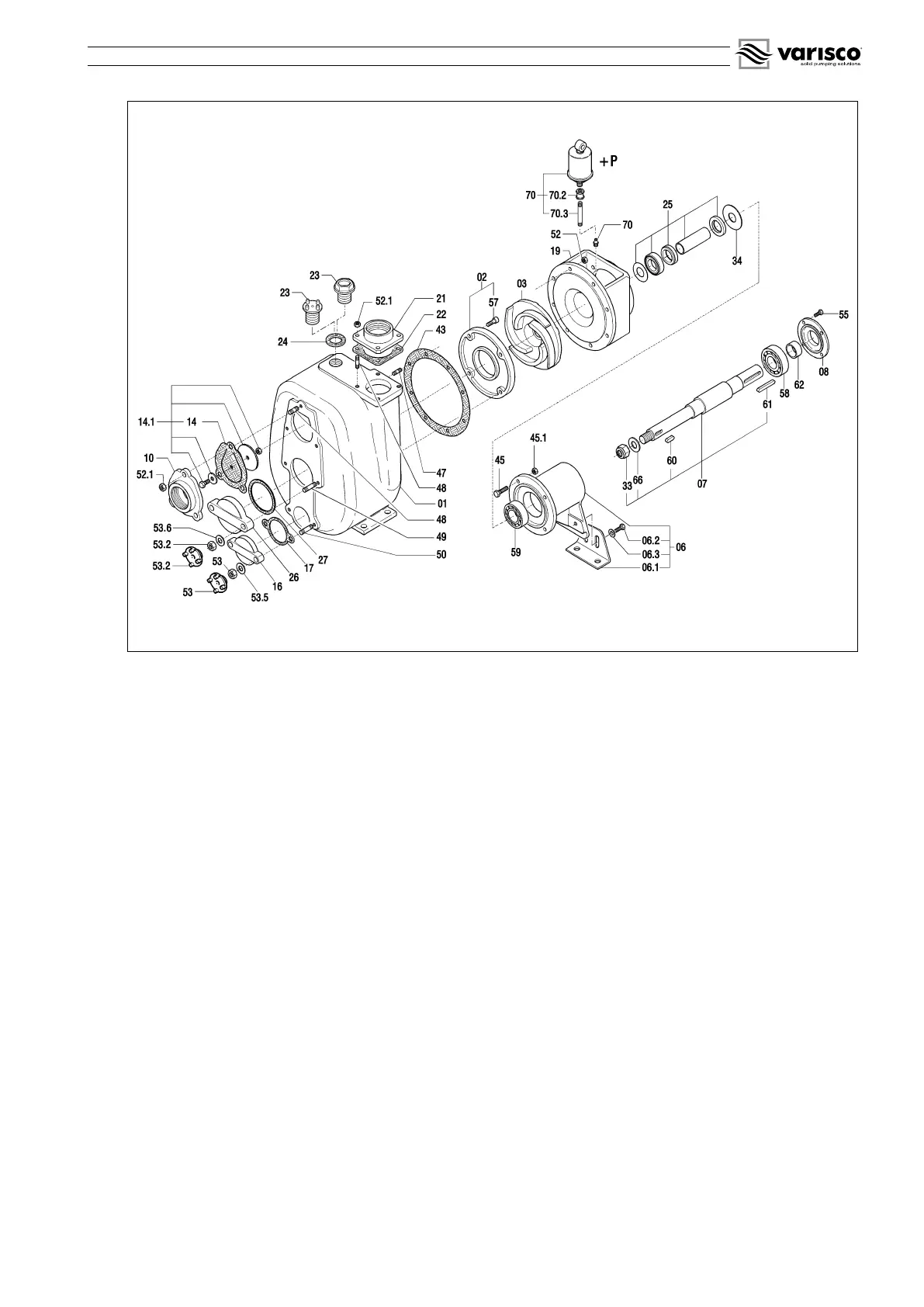
fig. 18
12.2 Sostituzione della girante (fig. 18)
- Svuotare il corpo pompa come indicato a paragrafo 7.
Attenzione: residui di liquido possono rimanere all’interno del corpo pompa, nel portamotore, nella condotta di aspirazione; prendere le
dovute precauzioni se il liquido è pericoloso (infiammabile, corrosivo, velenoso, infetto ecc.).
- Svitare i dadi (52) e rimuovere il corpo pompa, cercando di non danneggiare la guarnizione (43).
- Bloccare la girante (03) e svitare il dado autobloccante (33).
- Rimuovere la girante e sostituirla con una nuova.
- Sostituire eventualmente la guarnizione (43).
- Per il montaggio procedere al contrario.
- Controllare l’esatta posizione della girante rispetto al piatto d’usura come indicato al punto 12.6.
12.3 Sostituzione del piatto d’usura (fig. 18)
- Svuotare il corpo pompa come indicato a paragrafo 7.
Attenzione: residui di liquido possono rimanere all’interno del corpo pompa, nel portamotore, nella condotta di aspirazione; prendere le
dovute precauzioni se il liquido è pericoloso (infiammabile, corrosivo, velenoso, infetto ecc.).
- Svitare i dadi (52) e rimuovere il corpo pompa cercando di non danneggiare la guarnizione (43).
- Svitare le viti a testa con esagono incassato (57).
- Rimuovere e sostituire il piatto d’usura (02).
- Sostituire eventualmente la guarnizione (43).
- Per il montaggio procedere al contrario.
- Controllare l’esatta posizione della girante rispetto al piatto d’usura come indicato al punto 12.6.
12.4 Sostituzione della valvola (fig. 18)
- Svuotare il corpo pompa come indicato a paragrafo 7.
Attenzione: residui di liquido possono rimanere all’interno del corpo pompa, nel portamotore, nella condotta di aspirazione; prendere le
dovute precauzioni se il liquido è pericoloso (infiammabile, corrosivo, velenoso, infetto ecc.).
- Togliere i dadi (52.1).
- Sfilare il portavalvola (10).
- Sfilare la valvola (14).
- Montare la nuova valvola con la cerniera verso l’alto.
- Pulire la sede valvola del portavalvola (10) e rimontarlo.
- Alcune valvole sono provviste di una linguetta che sporge all’esterno, in questo caso, nel fissare i dadi si deve sostenere il peso della
valvola tirando la linguetta.
12.5 Sostituzione della tenuta tipo 1 o 2 (riferimento figg. 18, 19, 20)
- Svuotare il corpo pompa come indicato a paragrafo 7.
Attenzione: residui di liquido possono rimanere all’interno del corpo pompa, nel portamotore, nella condotta di aspirazione; prendere le
dovute precauzioni se il liquido è pericoloso (infiammabile, corrosivo, velenoso, infetto ecc.).

Table of Contents

Related product manuals