EasyManua.ls Logo

VBM LOLLO - Page 133

VBM LOLLO
Print Icon
To Next Page IconTo Next Page
To Next Page IconTo Next Page
To Previous Page IconTo Previous Page
To Previous Page IconTo Previous Page
Loading...
43
Fra
20,
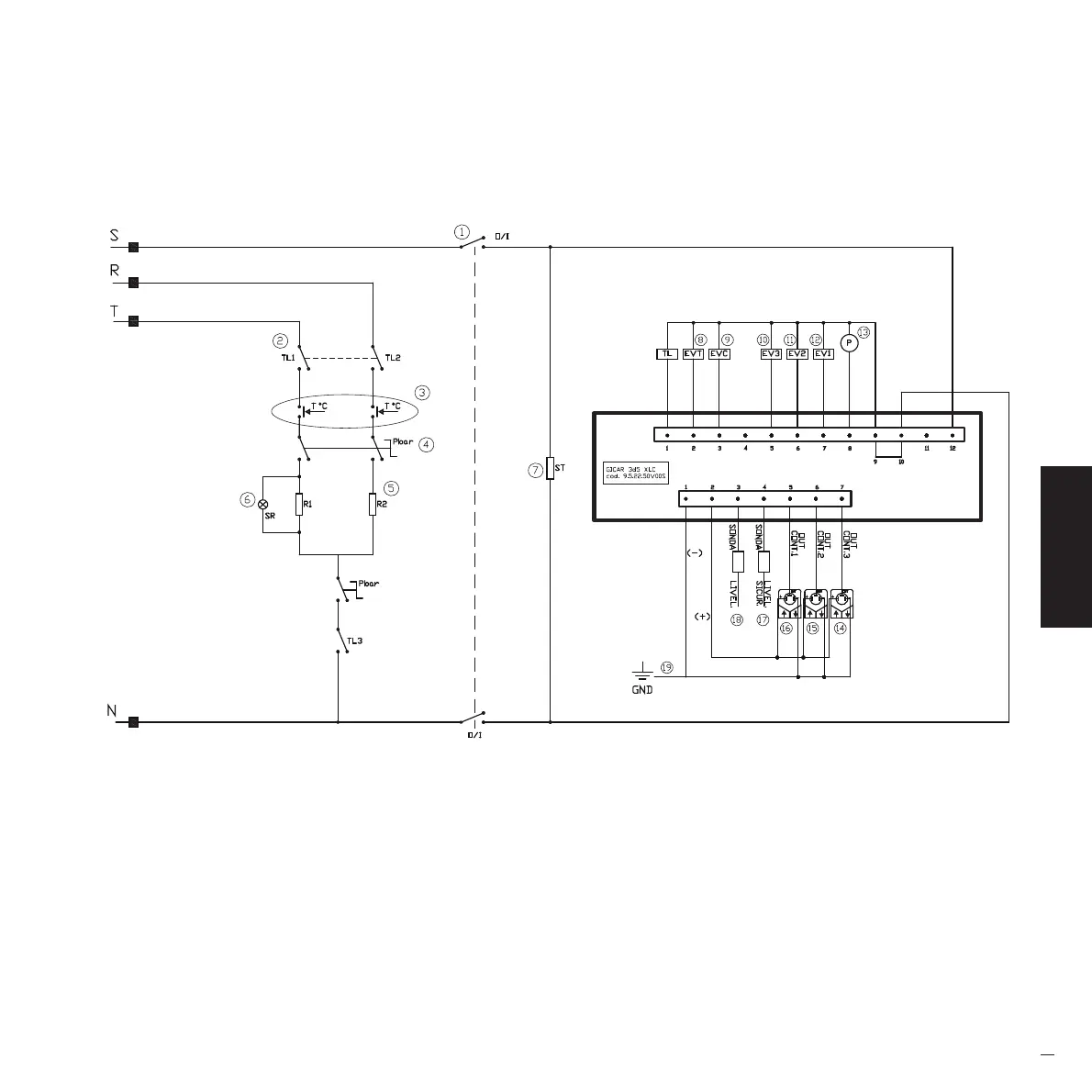
CÂBLAGE.
LÉGENDE
1= Interrupteur
2= Télérupteur
3= Thermostat sécurité
4= Pressostat
5= sistance chaudière
6= Témoin résistance
7= Chauffe-tasses
8= ÉV Thé
9= ÉV Char
10= ÉV Groupe 3
11= ÉV Groupe 2
12= ÉV Groupe 1
13= Pompe
14= Compteur Volume 3 groupes
15= Compteur Volume 2 groupes
16= Compteur Volume 1 groupe
17= Sonde sécurité
18= Sonde niveau
19= Poids châssis
Manuale_LOLLO_Rev1_5lingue-Cinese_07-2016.indd 43 22/08/16 16:09

Table of Contents

Related product manuals