EasyManua.ls Logo

VBM LOLLO - Electrical Scheme; Electrical Schematic Overview

VBM LOLLO
Print Icon
To Next Page IconTo Next Page
To Next Page IconTo Next Page
To Previous Page IconTo Previous Page
To Previous Page IconTo Previous Page
Loading...
43
Eng
20,
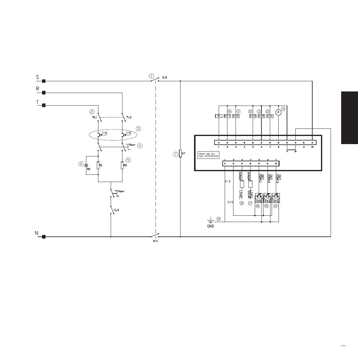
ELECTRICAL SCHEME.
LEGEND
1= Switch
2= Remote control switch
3= Safety thermostat
4= Pressure switch
5= Boiler heating element
6= Heating element LED
7= Cup heating plate
8= Tea solenoid valve
9= Filling solenoid valve
10= Unit 3 solenoid valve
11= Unit 2 solenoid valve
12= Unit 1 solenoid valve
13= Pump
14= 3-unit volumetric counter
15= 2-unit volumetric counter
16= 1-unit volumetric counter
17= Safety sensor
18= Level sensor
19= Frame ground
Manuale_LOLLO_Rev1_5lingue-Cinese_07-2016.indd 43 22/08/16 16:08

Table of Contents

Related product manuals