EasyManua.ls Logo

VBM LOLLO - 20 ELEKTRISCHE Schaltpläne

VBM LOLLO
Print Icon
To Next Page IconTo Next Page
To Next Page IconTo Next Page
To Previous Page IconTo Previous Page
To Previous Page IconTo Previous Page
Loading...
43
Deu
20,
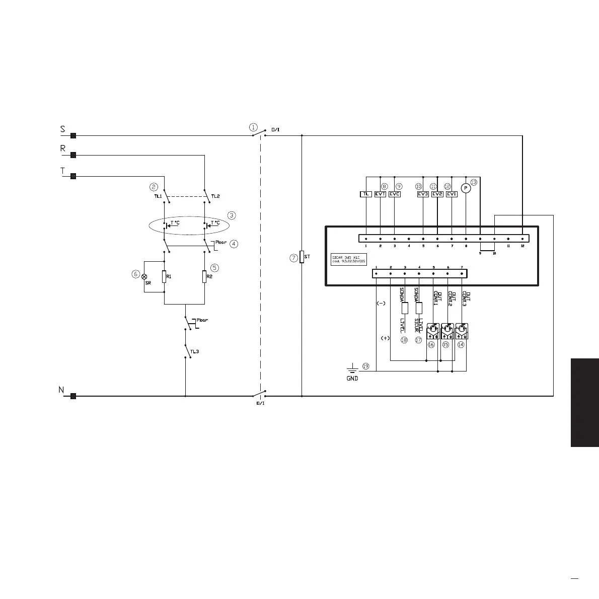
ELEKTRISCHE SCHALTPLÄNE.
LEGEND
1= Schalter
2= Schütz
3= Sicherheitsthermostat
4= Pressostat
5= Heizwiderstand Boiler
6= Kontrolllampe Heizwiderstand
7= Tassenwärmer
8= MV Tee
9= MV Zulauf
10= MV Brühgruppe 3
11= MV Brühgruppe 2
12= MV Brühgruppe 1
13= Pompe
14= Volumetrischer Zähler 3 Brühgruppen
15= Volumetrischer Zähler 2 Brühgruppen
16= Volumetrischer Zähler 1 Brühgruppen
17= Sicherheitssonde
18= Füllstandsensor
19= Masse Rahmen
Manuale_LOLLO_Rev1_5lingue-Cinese_07-2016.indd 43 22/08/16 16:09

Table of Contents

Related product manuals