EasyManua.ls Logo

VBM LOLLO - Page 221

VBM LOLLO
Print Icon
To Next Page IconTo Next Page
To Next Page IconTo Next Page
To Previous Page IconTo Previous Page
To Previous Page IconTo Previous Page
Loading...
43
Esp
20.
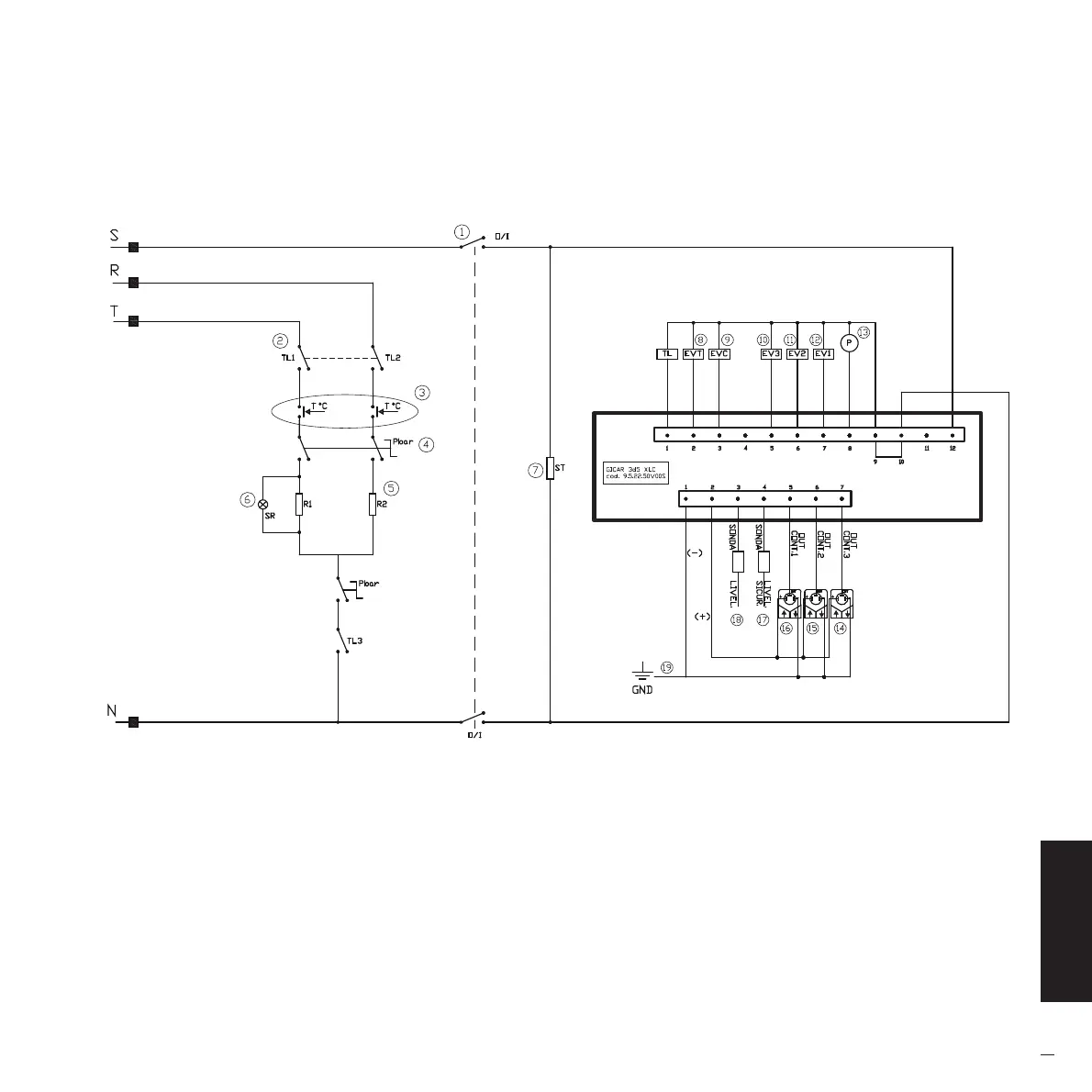
CABLEADO.
LA CLAVE
1= Interruptor
2= Telerruptor
3= Termostato de seguridad
4= Presostato
5= Resistencia caldera
6= Indicador resistencia
7= Calentador de tazas
8= EV
9= EV carga
10= EV grupo 3
11= EV grupo 2
12= EV grupo 1
13= Bomba
14= Contador volumen 3 grupos
15= Contador volumen 2 grupos
16= Contador volumen 1 grupo
17= Sonda seguridad
18= Sonda nivel
19= Masa bastidor
Manuale_LOLLO_Rev1_5lingue-Cinese_07-2016.indd 43 22/08/16 16:10

Table of Contents

Related product manuals