EasyManua.ls Logo

VBM LOLLO - Page 45

VBM LOLLO
Print Icon
To Next Page IconTo Next Page
To Next Page IconTo Next Page
To Previous Page IconTo Previous Page
To Previous Page IconTo Previous Page
Loading...
43
i ta
20,
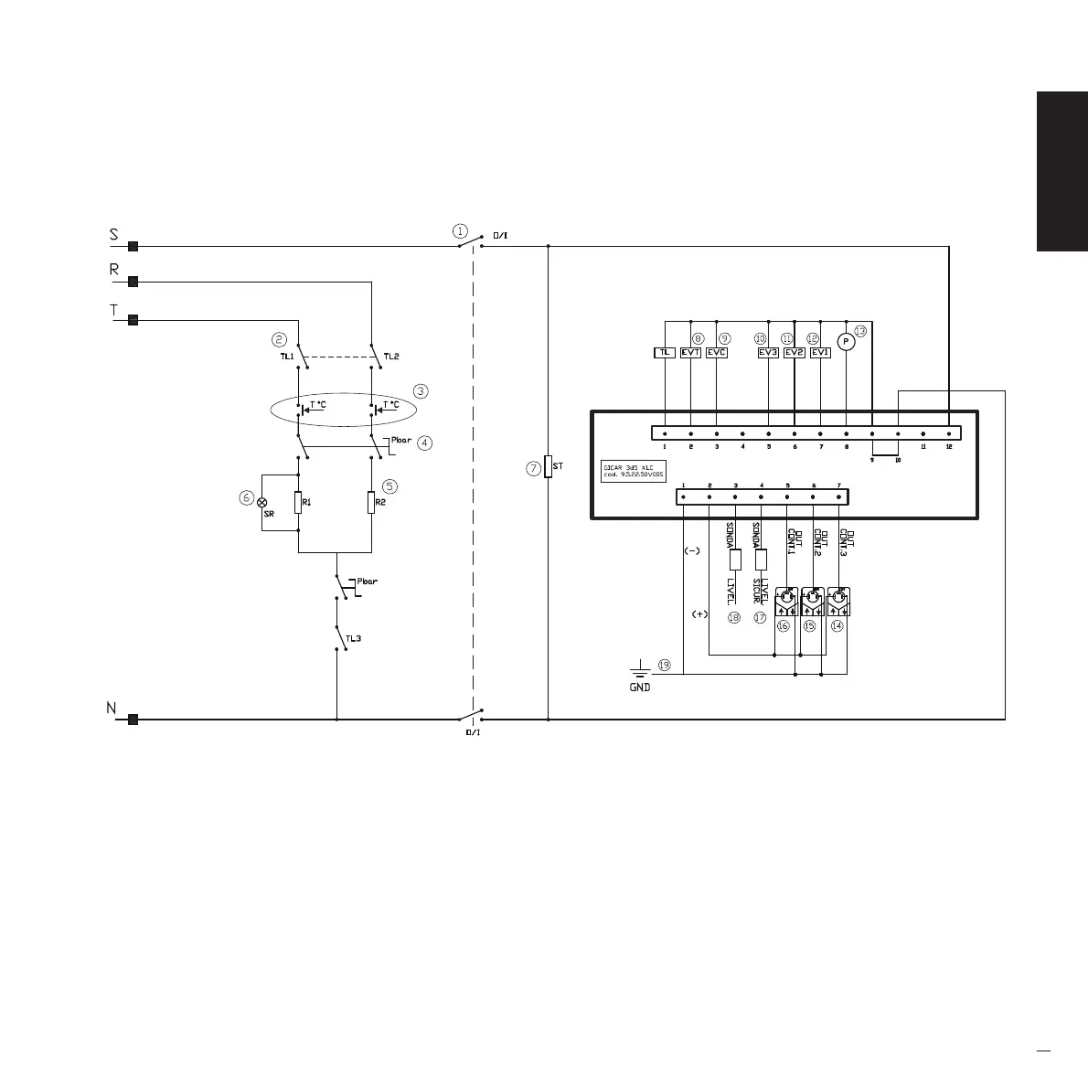
ScHeMA eLeTTRIcO.
LEGENDA
1= Interruttore
2= Teleruttore
3= Termostato di sicurezza
4= Pressostato
5= Resistenza caldaia
6= Spia resistenza
7= Scaldatazze
8= EV The
9= EV Carico
10= EV Gruppo 3
11= EV Gruppo 2
12= EV Gruppo 1
13= Pompa
14= Contatore Volume 3 gruppi
15= Contatore Volume 2 gruppi
16= Contatore Volume 1 gruppo
17= Sonda sicurezza
18= Sonda livello
19= Massa telaio
Manuale_LOLLO_Rev1_5lingue-Cinese_07-2016.indd 43 22/08/16 16:07

Table of Contents

Related product manuals