EasyManua.ls Logo

Viessmann B2HA 80 - Page 36

Viessmann B2HA 80
64 pages
Print Icon
To Next Page IconTo Next Page
To Next Page IconTo Next Page
To Previous Page IconTo Previous Page
To Previous Page IconTo Previous Page
Loading...
Vitodens 200-W B2HA 80 to 100, 285 to 352 Installation
5685 827 - 14
36
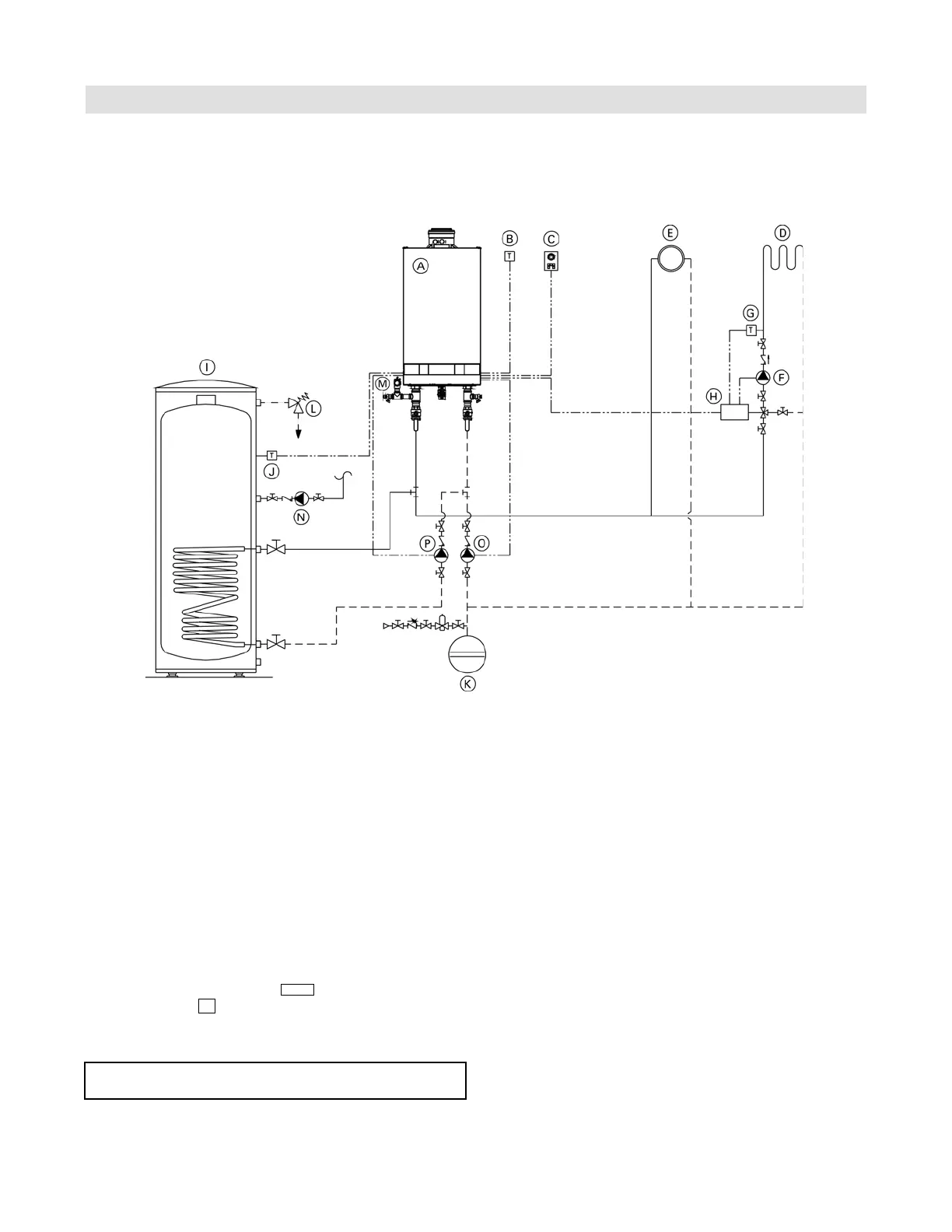
Boiler Connections
System Layout 4
Vitodens 200-W, B2HA with...
- DHW storage tank
- one direct-connected heating circuit
- one heating circuit with a mixing valve
Installation of different heating circuits...
radiator heating circuit (high-temp. circuit)
under floor heating circuit with 3-way mixing valve
(low-temp. circuit)
DHW production
... with the following flow conditions:
1. The water flow rate (output) of the radiator heating
circuit is at least 30% greater than that of the under
floor heating circuit.
2. The total flow rate of the two heating circuits is
less than the maximum possible water flow rate of
the Vitodens 200-W B2HA boiler (see page 30 for
max. water flow rate).
The use of a low-loss header is strongly
recommended if the maximum water flow rate in the
application concerned exceeds the values shown on
page 30, or if the system flow rates are unknown.
The low-loss header is available as accessory part.
See following pages for additional installation examples
with a low-loss header.
The 3-way mixing valve, built-in to achieve the low-
temperature level of the under floor heating circuit, is
controlled by an accessory kit for a heating circuit with
mixing valve.
IMPORTANT
Legend
A Vitodens 200-W B2HA boiler with
Vitotronic 200, HO1B outdoor reset
control
B Outdoor temperature sensor !
C Vitotrol remote (optional)
D Under floor heating circuit
E Radiator heating circuit
F Heating circuit pump
G Mixing valve temperature sensor ?
H Accessory kit for heating circuit with mixing valve
I Domestic hot water storage tank
J DHW tank temperature sensor %
K Expansion tank
L Temperature and pressure relief valve
M Pressure relief valve
N DHW recirculation pump 28/20 *
O Boiler pump 20
P DHW circulating pump sA
* Function based on coding of address 53
DHW circulating pump P must pump into the Vitodens
200-W B2HA boiler (as illustrated).

Table of Contents

Related product manuals