EasyManua.ls Logo

Viessmann Vitocal 252-A Series - Page 176

Viessmann Vitocal 252-A Series
212 pages
Print Icon
To Next Page IconTo Next Page
To Next Page IconTo Next Page
To Previous Page IconTo Previous Page
To Previous Page IconTo Previous Page
Loading...
176
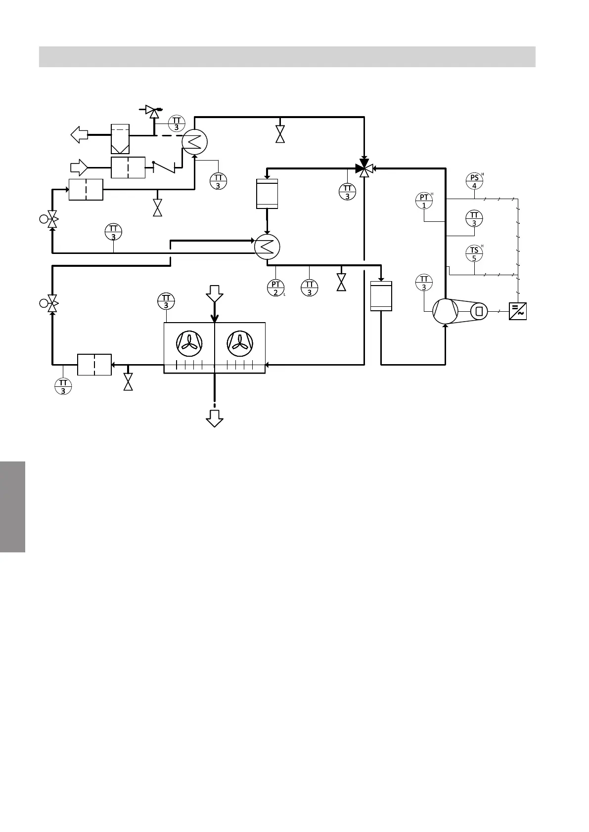
Cooling mode
eU
1
2
3
4
5
6
7
9
8
qP
qQ
qW
qE
qR
qT
qZ
qI
qO
wQ
wW
wE
eW
eE
qU
eR
eT
eZ
wP
eQ
wR
wT
wZ
wU
wI
wO
eP
Fig. 119
1
Evaporator
2
Air discharge
3
May be installed on types ...A10 to A19 (depend-
ing on factory fill version)
Schrader valve, evaporator
4
Filter, electronic expansion valve 2
5
Liquid gas temperature sensor, cooling
6
Electronic expansion valve 2
7
Electronic expansion valve 1
8
Filter, electronic expansion valve 1
9
Secondary circuit return
qP
Secondary circuit flow
qQ
Safety valve 3 bar
qW
Float air vent valve with quick-action air vent valve
qE
Filter, non-return valve
qR
Non-return valve
qT
Schrader valve, high pressure side 2
qZ
Liquid gas temperature sensor, heating
qU
Liquid gas temperature sensor, condenser
qI
Condenser
qO
Secondary circuit flow temperature sensor
wP
Only for types ...A04 to A13
Schrader valve, high pressure side 1
wQ
Accumulator (refrigerant receiver)
wW
Suction gas temperature sensor, evaporator
wE
4-way diverter valve
wR
High pressure sensor
wT
High pressure switch PSH
wZ
Hot gas temperature sensor
wU
High limit safety cut-out
wI
Oil sump temperature sensor
wO
Compressor, including oil sump heater
eP
Inverter
Position in refrigerant circuit depends on type: See
"Overview of electrical components".
eQ
Only for types ...A04 to A13
Accumulator (refrigerant receiver)
eW
Schrader valve, low pressure side
eE
Suction gas temperature sensor, compressor
eR
Low pressure sensor
eT
Internal heat exchanger
eZ
Air intake
eU
Air intake temperature sensor
Outdoor unit maintenance
Refrigerant circuit flow diagrams (cont.)
6222080
Maintenance

Table of Contents

Related product manuals