EasyManua.ls Logo

Viessmann Vitotwin 300-W - Page 140

Viessmann Vitotwin 300-W
192 pages
Print Icon
To Next Page IconTo Next Page
To Next Page IconTo Next Page
To Previous Page IconTo Previous Page
To Previous Page IconTo Previous Page
Loading...
140
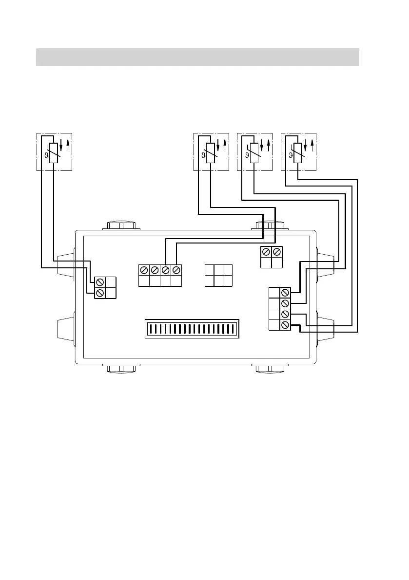
Checking cylinder temperature sensors and buffer temperature
sensors
A C D
Regelung
Funk
2
1 2
1 2 3 4
1 2 3 4
b
E
B3
BSB
B41B4
ATS B42/
B10
B
A
Cylinder temperature sensor B3
B
Buffer temperature sensor B42 or common flow sensor B10 (common flow tem-
perature sensor)
C
Buffer temperature sensor B41
D
Buffer temperature sensor B4
E
Junction box
1. Remove the plug to the respective
sensor in the junction box.
Troubleshooting
Repairs
(cont.)
5618 294 GB

Table of Contents

Other manuals for Viessmann Vitotwin 300-W

Related product manuals