EasyManua.ls Logo

Viessmann Vitotwin 300-W - Page 162

Viessmann Vitotwin 300-W
192 pages
Print Icon
To Next Page IconTo Next Page
To Next Page IconTo Next Page
To Previous Page IconTo Previous Page
To Previous Page IconTo Previous Page
Loading...
162
C
D
E
F
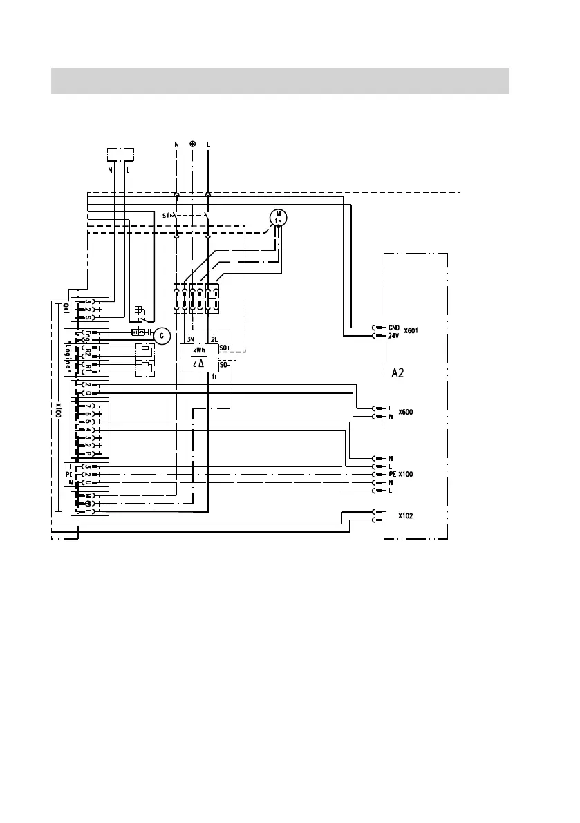
A2 Power supply unit
C
Vitocom 100 (fault message)
D
Power supply
E
Internal circulation pump
F
Net electricity meter
Designs
Connection and wiring scheme
(cont.)
5618 294 GB

Table of Contents

Other manuals for Viessmann Vitotwin 300-W

Related product manuals