EasyManua.ls Logo

Viessmann Vitotwin 300-W - Page 164

Viessmann Vitotwin 300-W
192 pages
Print Icon
To Next Page IconTo Next Page
To Next Page IconTo Next Page
To Previous Page IconTo Previous Page
To Previous Page IconTo Previous Page
Loading...
164
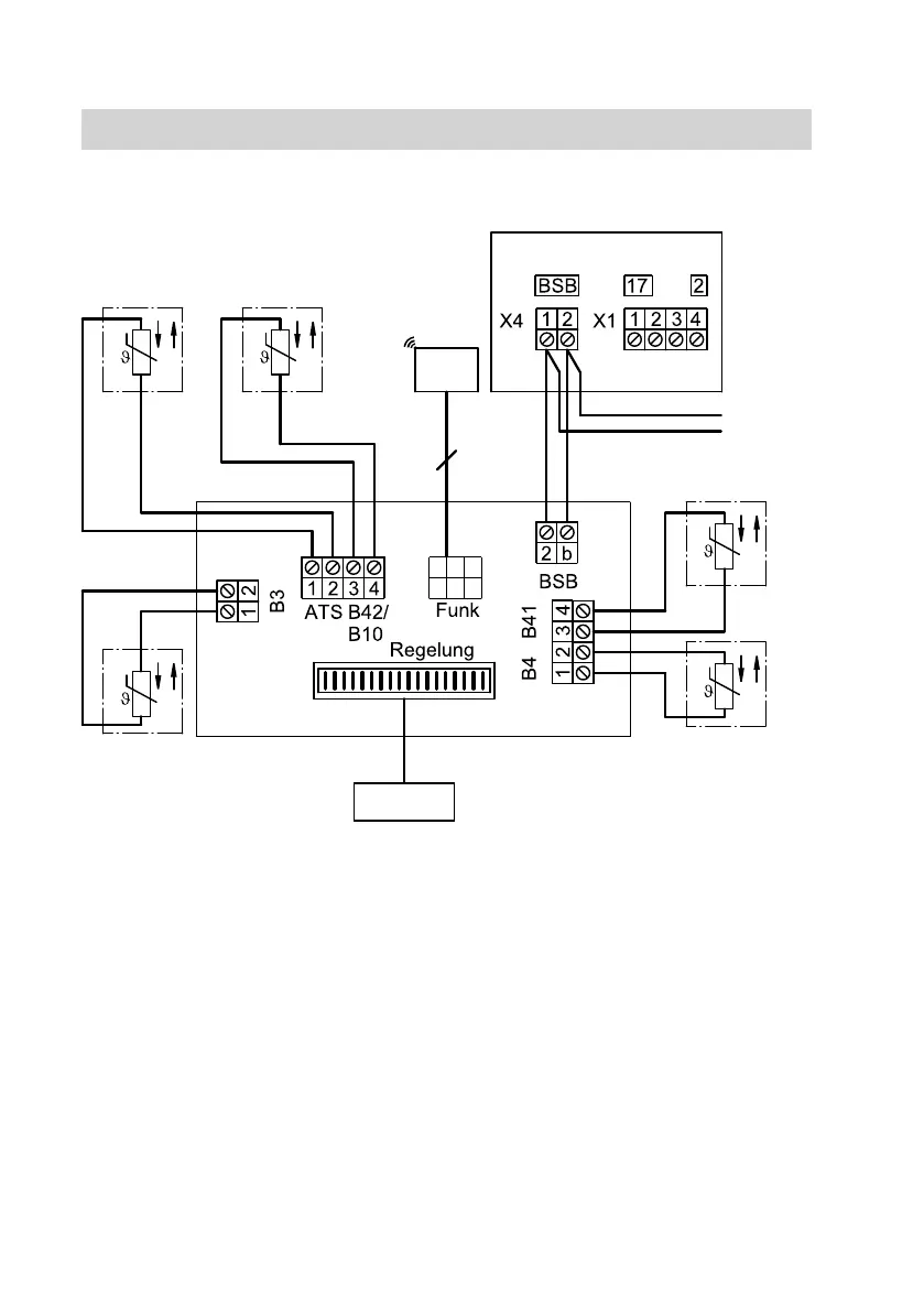
Junction box, sensors and accessories
K
B
G
A
H
E
F
D
6
C
A
Cylinder temperature sensor B3
B
Outside temperature sensor
C
Buffer temperature sensor B42 or
common flow sensor B10 (common
flow temperature sensor)
D
Wireless transmitter
E
Extension kit for heating circuit with
mixer
F
Extension kit 2 and 3 for heating cir-
cuit with mixer
G
Buffer temperature sensor B41
H
Buffer temperature sensor B4
K
Vitotwin 300-W control unit
Designs
Connection and wiring scheme
(cont.)
5618 294 GB

Table of Contents

Other manuals for Viessmann Vitotwin 300-W

Related product manuals