EasyManua.ls Logo

Viessmann WB2B 45 - Page 45

Viessmann WB2B 45
64 pages
Print Icon
To Next Page IconTo Next Page
To Next Page IconTo Next Page
To Previous Page IconTo Previous Page
To Previous Page IconTo Previous Page
Loading...
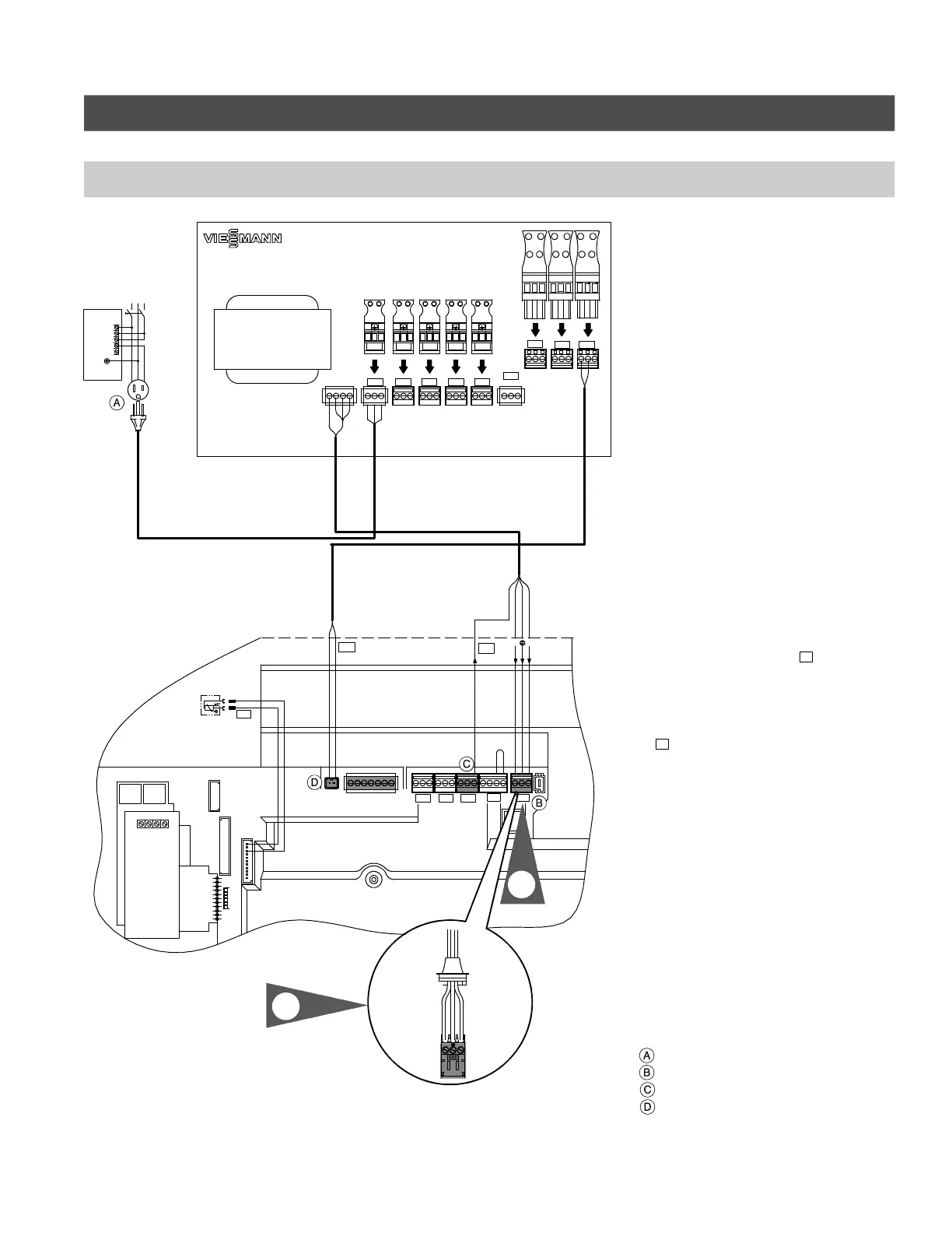
Control Connections
45
Electrical Connections (continued)
Connection between the Power/Pump module and boiler
1. Remove and discard the green
factory test lead plug
40
(if
equipped) from the boiler control
board.
2. Install the Power/Pump module plug
40
onto the boiler control board.
Legend
120 VAC supply
Power supply (230 VAC)
Boiler pump
KM-BUS to Power/Pump module
5418 909 v1.6
NL
145
144
143
28
L G
N
L2
NLNLNL
1 2 3 1 2 3 2 3
L1G N
50
202120A40
N
L
120/230
Transformer
145
31 2
144
31 2
143
31 2
40
9620351001234567X4
X3
5
Boiler Control Board GC130
X9.3
X9.4
X
X11
LON
KMK
9
X
8
X
7
4
321
X1
LON
X2
LON
X1
KMK1KMK2
145
20
SAFETY DEVICE
LOW WATER CUT--OFF
120VAC
RECEPTACLE
WALL
--TYPICAL
A
P2
P1
L2
L1
SWITCH
DISCONNECT
MAIN POWER SUPPLY
120V, 60HZ, 12A
N
MAIN
L
G
L
N
230 VAC
50
2021
20A
40
1.
A8
1
Fig. 39
Power/Pump module
2.

Related product manuals