EasyManua.ls Logo

Viessmann WB2B 45 - Page 46

Viessmann WB2B 45
64 pages
Print Icon
To Next Page IconTo Next Page
To Next Page IconTo Next Page
To Previous Page IconTo Previous Page
To Previous Page IconTo Previous Page
Loading...
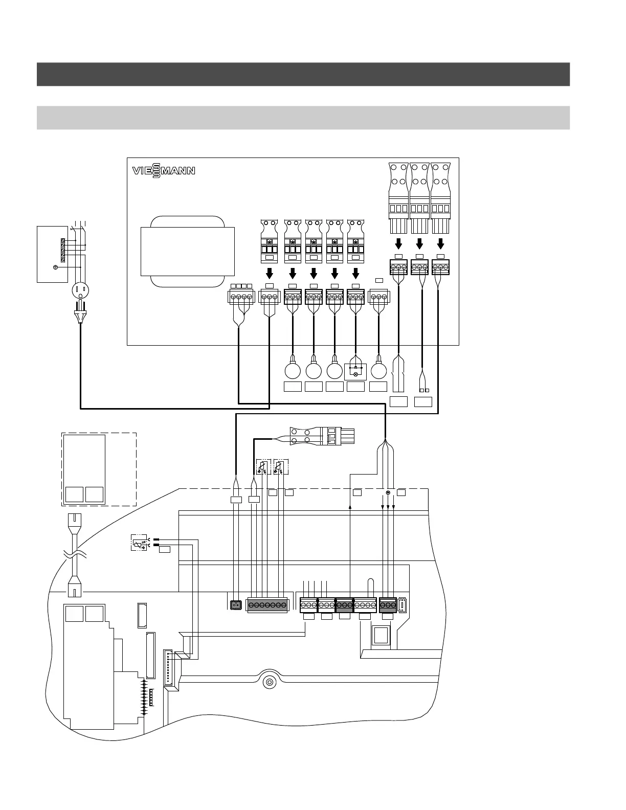
Control Connections
46
Electrical Connections (continued)
Accessories electrical connections
See the following pages for connection to the individual accessories.
5418 909 v1.6
N
40962035100
12
3
4
56
7
X4
X3
L
145
145
5
2
230 VAC
Boiler Control Board GC130
X9.3
X9.4
X
X11
LON
KMK
9
X
8
X
7
LON
X2
LON
X1
1 20 40
NL
145144143
50
202120A
28
L G N
40
L2
NLNLNL
EXTERNAL
DEMAND
EXTERNAL
SIGNAL
0--10 V
-- +
120VAC
M
120VAC
M
120VAC
M M
120VAC
120VAC
DHW
RE--CIRC.
PUMP
FAULT
ALARM
OUTPUT
BOILER
PUMP
DHW
PUMP
SYSTEM
PUMP
1 2 3 1 2 3 1 2 3
L1 G N
31 2
145
SAFETY DEVICE
LOW WATER CUT--OFF
120VAC
RECEPTACLE
WALL
--TYPICAL
A
P2
P1
L2
L1
SWITCH
DISCONNECT
MAIN POWER SUPPLY
120V, 60HZ, 12A
N
MAIN
L
G
31 2
145
31 2
144
31 2
143
50
202120A40
NL
Vitotronic 200--H
HK1M
LON
120/230
Transformer
Fig. 40
Power/Pump module

Related product manuals