EasyManua.ls Logo

Volvo S40 2012 - Multimedia & Traffic Information

Volvo S40 2012
348 pages
Print Icon
To Next Page IconTo Next Page
To Next Page IconTo Next Page
To Previous Page IconTo Previous Page
To Previous Page IconTo Previous Page
Loading...
TP 39212202 C30/S40 (04-)/V50/C70 (06-) 2012 136
30+
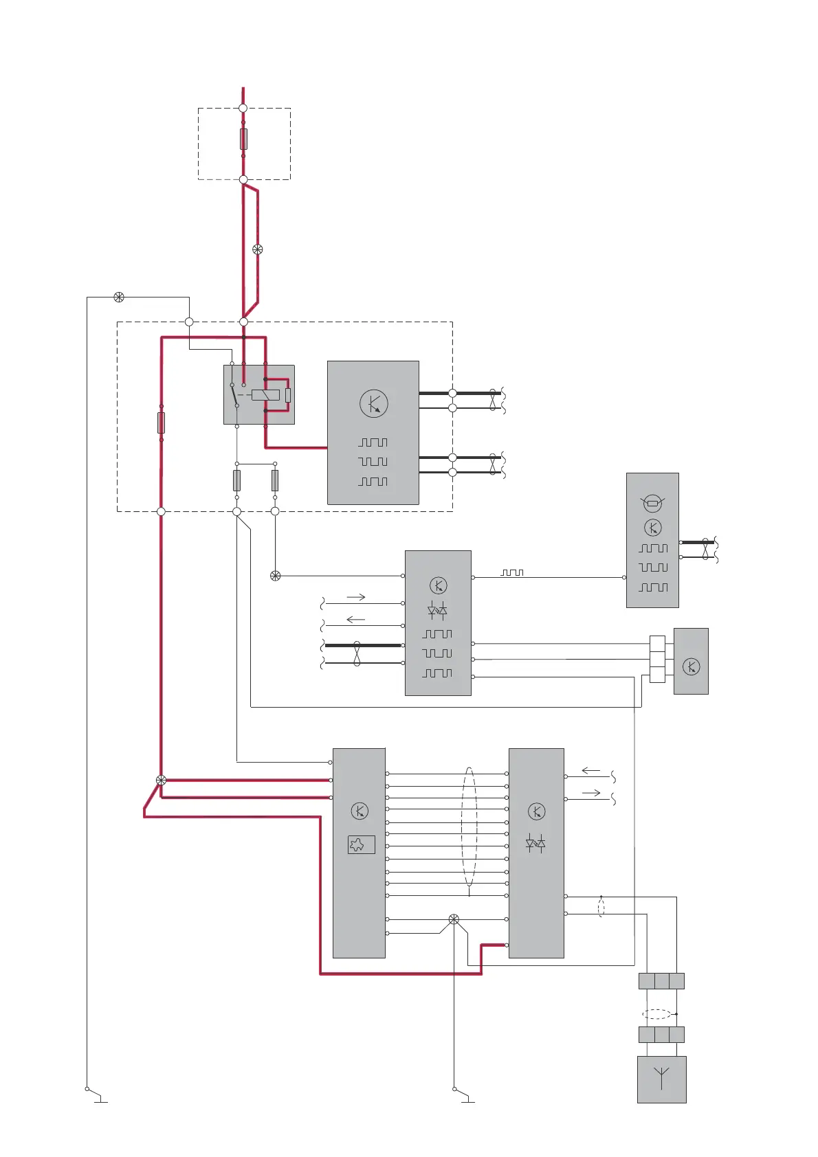
CAN
CEM
F65
R11B
2/159
15/31
31/84
BK-BU
A:9
1
2
A:29
A:21
4/56
F43
1
2
1
2
F16
E:23
BK
MMM
16/108
DPY
16/46
B:2
B:1
A:1
B:4
B:3
B:6
B:5
B:8
B:7
B:10
B:9
B:2
B:1
B:4
B:3
B:6
B:5
B:8
B:7
B:9
A:2
B:10
RD
GN
VT
PK
BN
BU
BK
YE
GY
WH
F66
1
2
B:8
B:9
A:3
A:4
A:5
A:1
A:5
ICM
3/281
B:1
B:2
A:1
A:7
A:8
o
o
3/254
SWM
A:2 C:5
WH-BU
3
2
1
IR
7/182
A:5
A:6
A:3
BK
BK
BK
GN-OG
OG-YE
C:1
C:2
o
o
16/47
RD-YE
RD-YE
RD-YE
63/27
OG-GN
63/29
OG-GN
OG-YE
OG-YE
BK-BU
BK-BU
BK-BU
63/12
64/34
31/10
63/25
A:28
BK
BK
F:16
F:14
C:9
C:8
LIN
CAN
LIN
CAN
LIN
1S
1S
1
1
RD-WH
RD-WHRD-WH
63/231
C70
S40/V50/C30
64/191
2S
2
G030067
Group 39 Other
Multimedia & Traffic information

Table of Contents

Related product manuals