EasyManua.ls Logo

Volvo S40 2012 - Bluetooth Handsfree with AEM, External Amplifier, LHD

Volvo S40 2012
348 pages
Print Icon
To Next Page IconTo Next Page
To Next Page IconTo Next Page
To Previous Page IconTo Previous Page
To Previous Page IconTo Previous Page
Loading...
TP 39212202 C30/S40 (04-)/V50/C70 (06-) 2012 147
2
1
6
4
5
7
7
4
1
1
12
15
13
2
3
3
2
4
5
6
6
7
8
3
8
64/179
MIC
B:16
7
B:8
1
1S
16/98
WH
GY
GY
GY
GN-BUGN-BU
OG-GN
OG-GN OG-GN OG-GN
GY
GY
VT
GY
GY
GY-RD
GY-RD
GY-RD
GY-RD
GY-RD
GY-RD
GY-WH
GY-WH
BK
FUSE 5A FUSE 5A
FUSE 5A FUSE 5A
Accessory
Bluetooth
Handsfree
16/159
3/293
16/127
RELAY
RR-
MIC +
MIC -
BUTTON 2
LED 1
BUTTON 3
LED 2
BUTTON 1
POWER
GND
V BATT
IGN
MUTE
MUTE IN
SPK +
GND
SPK -
V BATT
SPK OUT +
SPK OUT -
AUD -
AUD +
RR+
RF-
RF+
LR-
LR+
LF-
MIC
SIGNAL+
GND
30+
15/31
2/159
RD-WH
A:21 C:40
A:9
2
3
4
5
16
11
10
2
1
3
4
1
2
F43
F66
1
2
CEM
CAN
LIN
1
2
F16
E:23
4/56
16/1
RD-YE
RD-YE
RD-YE RD-YE RD-YE
63/29
63/27
63/12
R11B
F65
1
2
OG-GN
BK-BU
BK-BU
RD-YE
RD-YE
PK
GY
YE
BK
RD RD
GN
GN
YE
VT
GY
BU
BK BK
BK
BK-BU
BK-GY
BK-RD
BK-WH
BK-YE
B:13
11
17
OG
18
2
9
1
BK
YE
#
7
0
8
1
45
2
9
6
3
#
0
8
54
79
6
213
B
A
16/105
2/71
AUD
CS+
CS-
31/84
BK BK-BU
A:14
A:7
A:8
A:9
A:1
A:2
YE
SHLD
BK
BK-BU BK-BU
WH-RD
GY-RD
WH-VT
BK
WH
GY
GY
GY-WH
GY-WH
WH
WH
16/26:1
16/5:2
16/5:2, 16/137:2
16/5:1, 16/137:1
16/5:1
16/26:2
16/156:2, 16/158:2
16/156:1,16/158:1
64/112
63/135
64/47
64/41 RHD
64/43 LHD
64/43 RHD
64/41 LHD
19
18
2
1
16X/105B
16X/105B
13
2
B:9
5
10
B:10
B:2
B:5
B:11
B:3
B:12
B:4
B:1
C30
C30
GY-WH
GY-WH
WH-VT
16/6:2
16/6:2, 16/136:2
16/6:1, 16/136:1
16/6:1
64/45
C30
C30
23
BK
WH
WH
16/155:2, 16/157:2
16/155:1, 16/157:1
22
23
22 1
23 9
19
18
11
3
12
4
1
4
2
SHLD
RD-BK
BU-GN
BU-RD
SHLD
RD-BK
BU-GN
BU-RD
16X/1A
64/25G
17/40
AUX
6789
8
14
7
9
2
1
REMOTE
ON/OFF+
B:6
IAM
8
16
6
C70
2
3
4
5
11
RD
VT
BN
GY
YE
YE
YE
2X/71A
A:4
A:3
B:11
CAN
AEM
4/78
4
15
2
10
13
6
9
1
14
3
12
5
7
2X/71B
8
GY-RD
GY-RD
GY
GY
GY-RD
GY-RD
GY-WH
GY-WH
GY
G033017
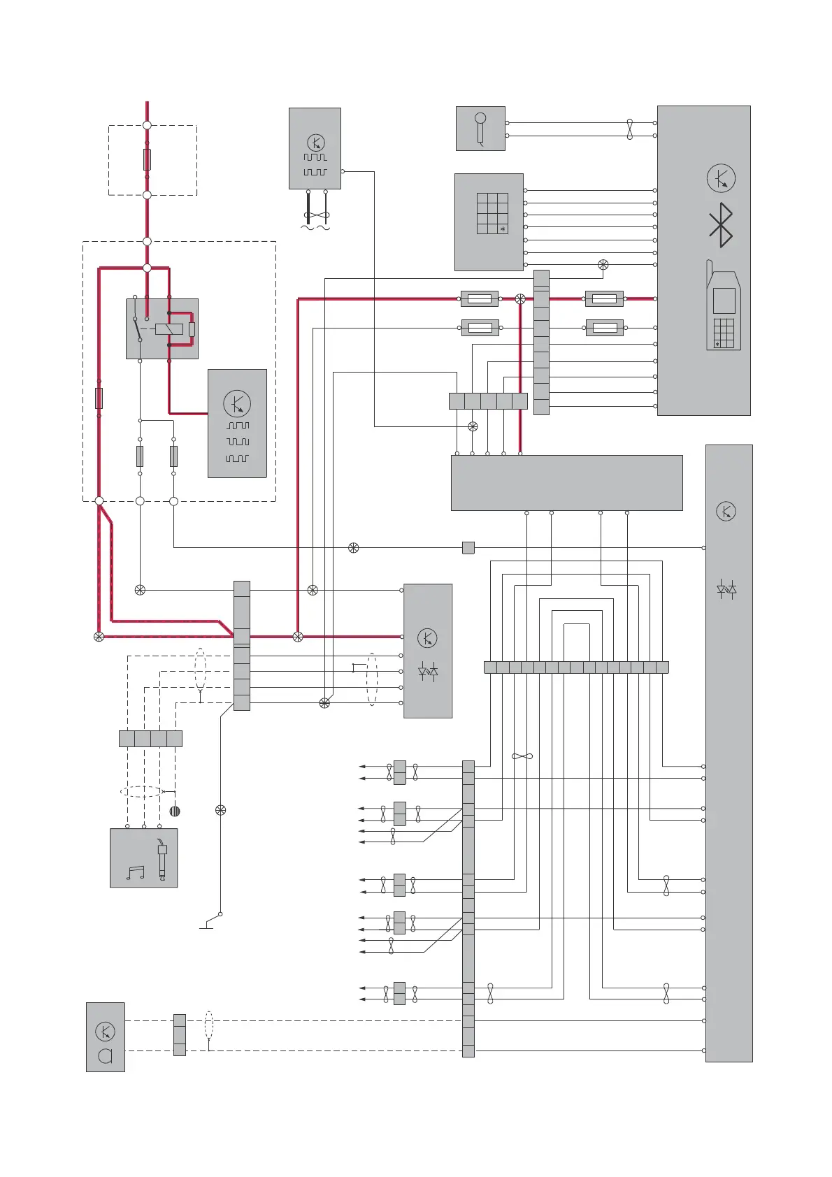
Group 39 Other, Accessories
Bluetooth Handsfree with AEM, external amplifier, LHD

Table of Contents

Related product manuals