EasyManua.ls Logo

Volvo S40 2012 - Fog Lights RHD Japan C30;C70

Volvo S40 2012
348 pages
Print Icon
To Next Page IconTo Next Page
To Next Page IconTo Next Page
To Previous Page IconTo Previous Page
To Previous Page IconTo Previous Page
Loading...
TP 39212202 C30/S40 (04-)/V50/C70 (06-) 2012 85
31/11
63/121
BK
CAN
5/1
DIM
10
9
F29F4
2 2
30+
1 1
2
1
31/114
BK
2
10/5
1
GN-WH
CAN
4/56
CEM
8
LIN
F18
31/110
BK
63/109
BK
2
10/6
1
11
31/6
31 7
C:6
B:6
B:22
B:23
A:32
GN-BU
BK-YE
BK-YE
GN-OG
G:9E:22E:21
15/31
RD-YE
RD-BU
BK-YE
GN-WH
63/6
BK
BK
1
2
3
5
2/34
R4
RD-OGRD-OG
RD-GN
63/120
BK
63/108
BK
10X/18C
BK
BK
31/12
10X/17C
2
BKBK
BK
10X/18C
10/46
10/46
GN-YE
10/18
BACKTURN
TAIL2
TAIL1
FOG
GND
GND2
STOP
C:1
TAIL2
TAIL1
FOG
10/17
BACK
GND
GND2
TURN
STOP
C:4
C:2
4
3/111
0
1
2
SUPPLY
POS 0
POS 1
POS 2
FRONT FOG
REAR FOG
FUEL LID
RF IND.
HEADL LEV
PWR
FF IND.
REOST LEV
ILLUM
GND
LIGHTS ON
FF = FRONT FOG
RF = REAR FOG
GN-YE GN-YE
10X/18C1
4
10X/18C1
C1:4
C3:2
31/11
63/174
BK
BK-WH
BK-BU
BK-BU
10/18
C30
C30
C30
C30
C70 C70
REVERSE
POSITION
TURN
POSITION
FOG
2
10X/17C2
BU-GY
C2:2
C2:1
C4:1
10/17
31/12
63/175
BK
BK
OG-GY
REVERSE
POSITION
TURN
POSITION
FOG
2
1
3
ABL
G042834
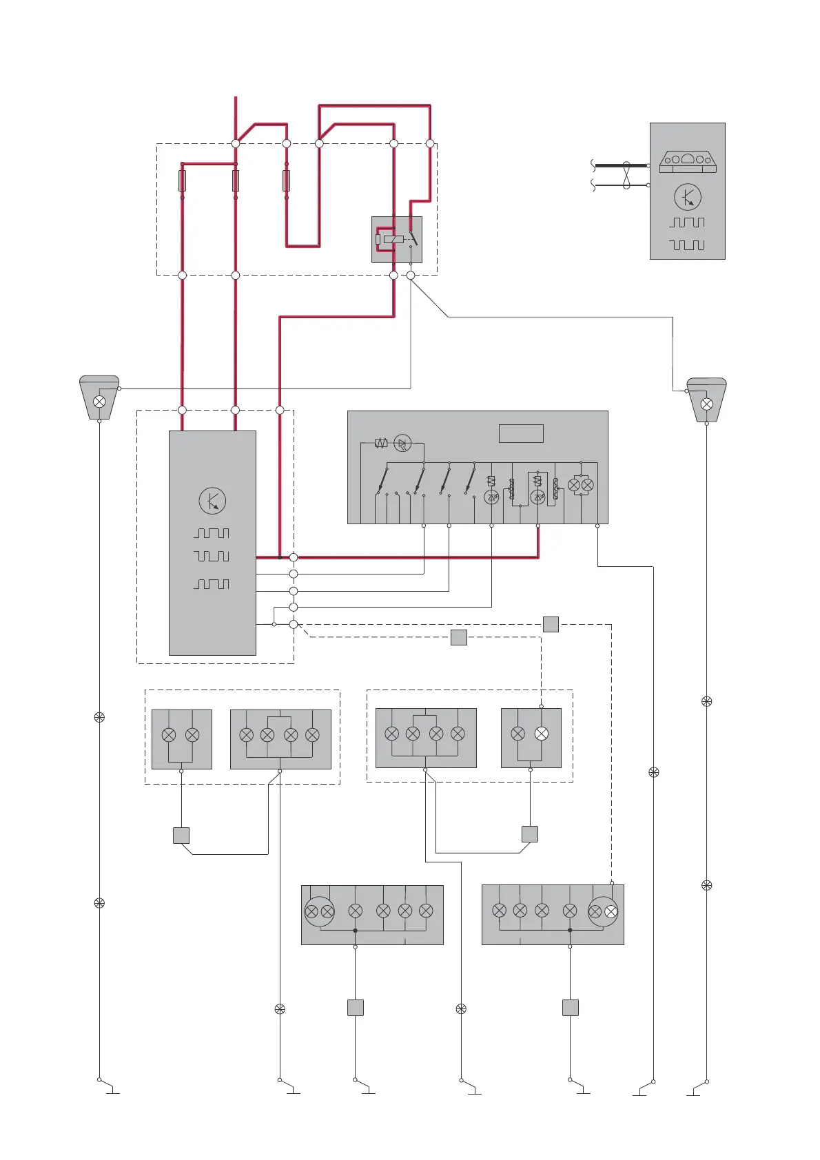
Group 35 Lighting
Fog lights RHD Japan C30/C70

Table of Contents

Related product manuals