EasyManua.ls Logo

Volvo S40 2012 - Wiper;Washer Windshield

Volvo S40 2012
348 pages
Print Icon
To Next Page IconTo Next Page
To Next Page IconTo Next Page
To Previous Page IconTo Previous Page
To Previous Page IconTo Previous Page
Loading...
TP 39212202 C30/S40 (04-)/V50/C70 (06-) 2012 97
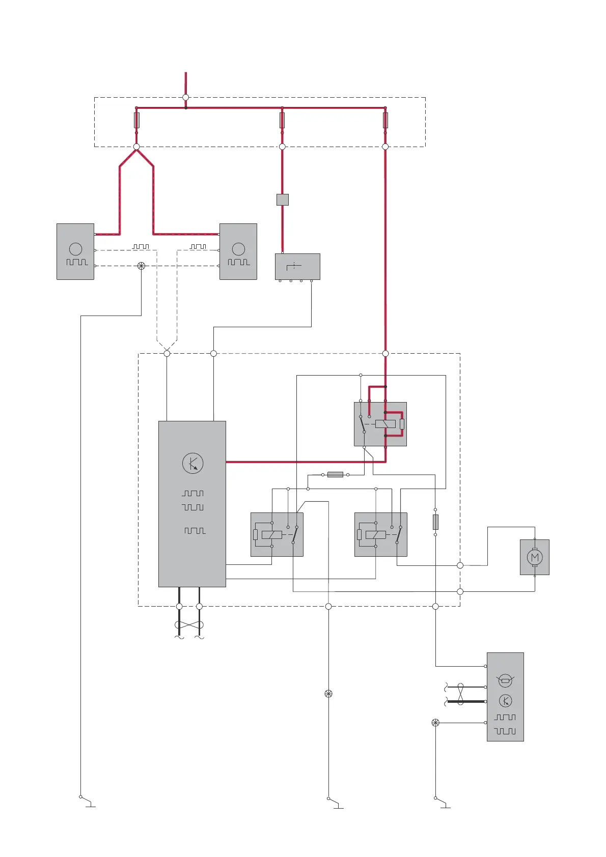
Group 36 Additional electrical equipment
Wiper/washer windshield
3/254
30+
SWM
1
2
F17
CAN
CEM
F68
2
254
13
254
13
1
CAN
1
2
F26
R7 A
2/92
15/31
RD-OG
A:17
G:3
E:8
LIN
4/56
1
2
3/1
30
15X
5
50 S
B:7
B:3
6/1 LHD
WMM
R18
2/193
R7 B
2/93
F48
63/108
31/110
31/10
6/1 RHD
WMM
LINLIN
64/111
5
1
2
F3
4
1
3
1
4
2
WH-GN
WH-GN
BK BK
WH-GN
WH-GN
RD RD
GN-WH
E:20
C:9
C:8
31/83
63/5
E:12
BK-WH
OG-BK
BK
C:1
C:4
A:45A:28
63/25
BK BK
F:16 F:14
WH-BK
YE-BK
BK
6/2
45
1
3
2
M
M
G029989

Table of Contents

Related product manuals