EasyManua.ls Logo

Volvo S40 2012 - Starting System 5-Cyl

Volvo S40 2012
348 pages
Print Icon
To Next Page IconTo Next Page
To Next Page IconTo Next Page
To Previous Page IconTo Previous Page
To Previous Page IconTo Previous Page
Loading...
TP 39212202 C30/S40 (04-)/V50/C70 (06-) 2012 71
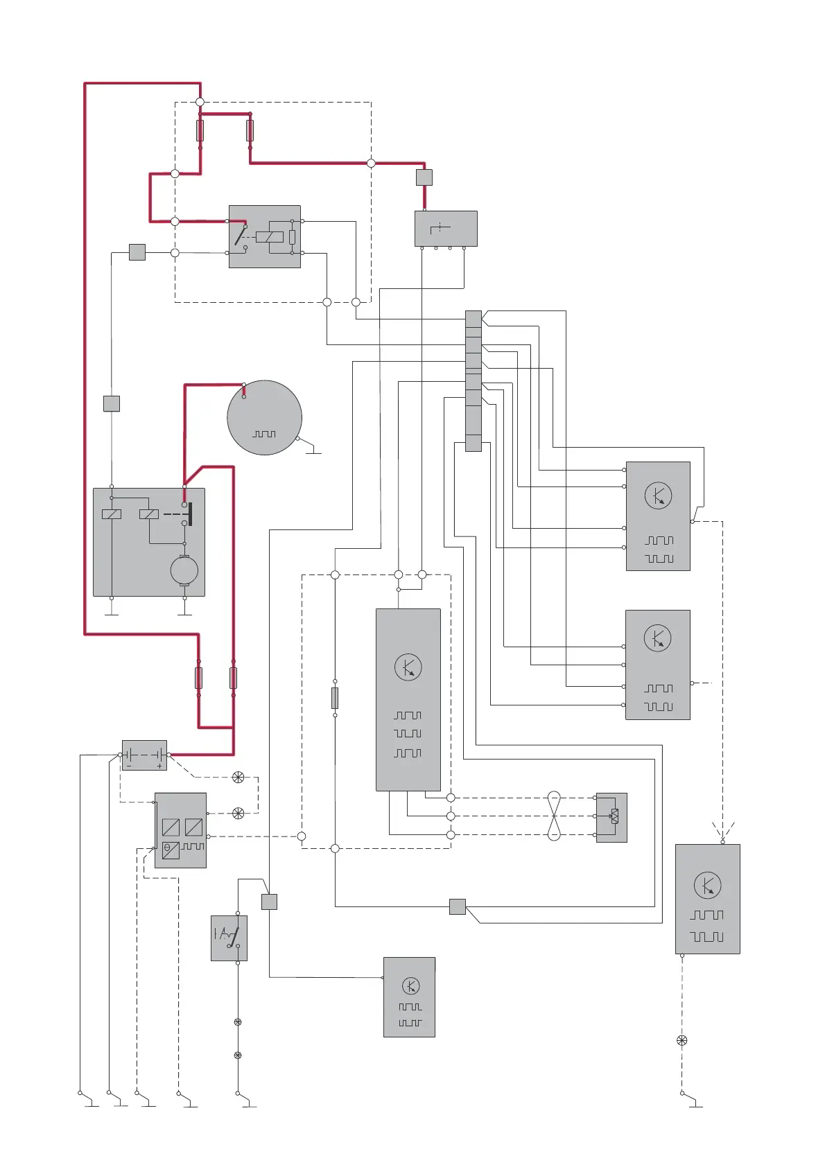
Group 33 Starting system
Starting system 5-Cyl.
12V
1/1
1(86)
3(30)
1
R13
2/35
F13
2
E:9A:17
A:10
CEM
4/56
RD
A:42
CAN
BK-RD
BK-RD
BK-RD
3/1
30
15X
5
50 S
B:7
B:2 B:3
RD
GY-BK
GY
GY
64/90
5(87)
2(85)
CAN
4/28
TCM
A:5
A:9
31/132
BK-YE
BK
31/4
BK
1
F26
2
5
64/111
RD-GN
RD
RD
63/53
BK
B:13
GY
64/90
GN-BU
GN-BU
GN-BU
GN-BU
GN-YE
GN-YE
GN-BU
LIN
15/31
B:1
6/26
B+
G
31
2
PF1
1
GY-WH
AUTO
GY-WH
AUTO
MAN
3
2
1
7/123
BN
BN
BN
GN-YE
GN-YE
GN-YE
WH
YE
G:21
G:23
G:12
M
A:1
6/25
B:1
GN-BU
GN-WH
2
PF2
1
RD
ACM
1
2
F44
11
64/120
1
BK
63/108
BK BK
63/109
WH-RD
WH-RD
MAN
MAN
2
1
E:3
64/113
64/111
1
2
3/271
4/93
CAN
KVM
LIN
CAN
4/46.2
ECM
B:15
B:17
B:11
B:9
2,5 L T
4
4/46.3
B:25
B:15
B:52
B:31
B:53
CAN
ECM
2,0 L D
4
6
9
13
20
31
14
Ag
Ag
Ag
Ag
Au
Au
Au
Ag
Ag
Ag
Ag
Ag
Ag
I03078
OG-YE
7/240
BMS
LIN
I
U
G:10
2
63/161
63/162
1
RD
RD
RD
31/4
31/3
31/3
31/110
B5254T7
D5204T
(T5)

Table of Contents

Related product manuals