EasyManua.ls Logo

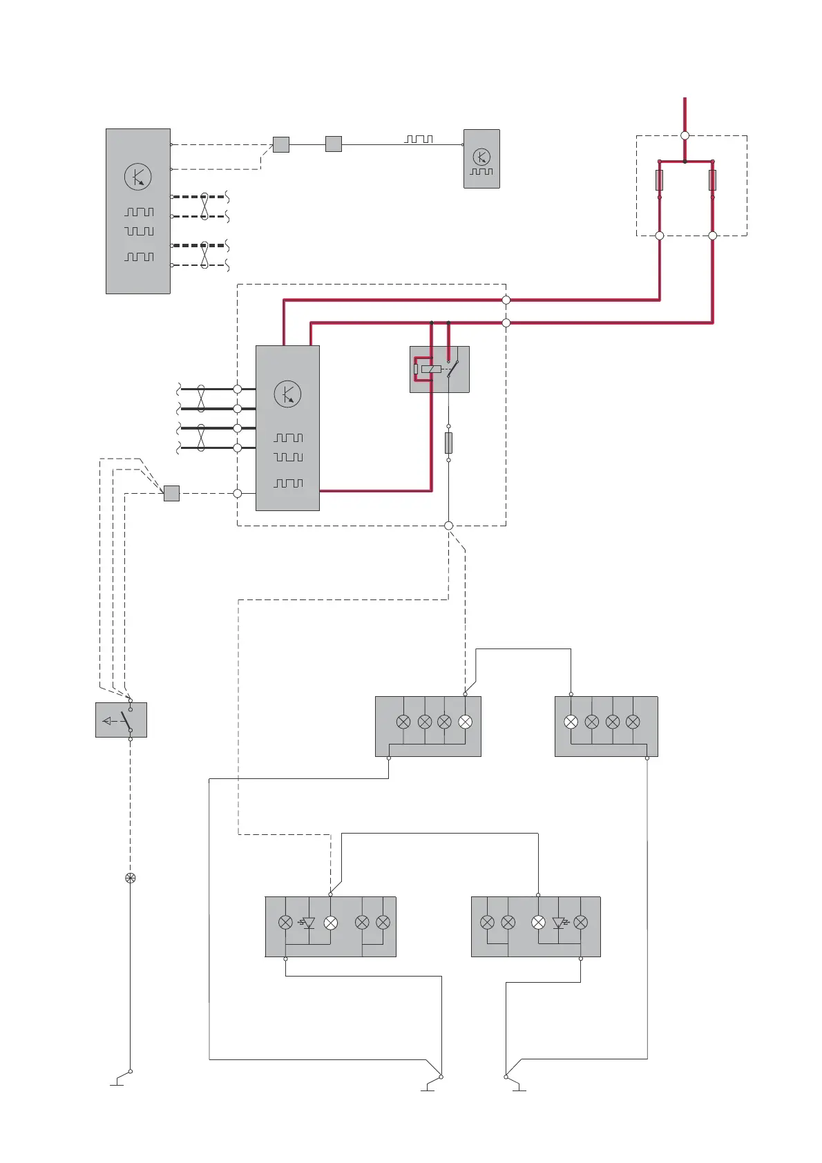
Volvo S40 2012 - Reversing Lights S40;V50

Volvo S40 2012
348 pages
Print Icon
To Next Page IconTo Next Page
To Next Page IconTo Next Page
To Previous Page IconTo Previous Page
To Previous Page IconTo Previous Page
Loading...
TP 39212202 C30/S40 (04-)/V50/C70 (06-) 2012 80
BK
GN-BK
CAN
31/11 31/12
F:14
F:16
G:14
G:15
A:5
A:2
TCM
4/28
30+
F18
2
11
2
F4
MAN
63/53
MAN IB5 4-Cyl Petrol
MAN M66 5-Cyl
GN-BU
GN-YE
GN-WH
GN-WH
64/90
10
31/132
E:14
4/56
AW55-51
AW55-51
MPS6
MPS6
CEM
3/10
3 MAN IB5
2
1
GN-BK
GN-BK
GN-BK
A:8
A:6
V50
V50
V50
10/55
10/48
BK
V50
BK
F79
2
1
LIN
CAN
LIN
15/31
C:45
E:21
E:22
BK
BK
BK
BK
2/80
R2
10/18
C:4
10/48
C:1
C:3
A:4
A:1
V50
S40
3/156
A:7
A:17
64/90
RD
RD
RD
33
64/111
2
2
LIN
GSM
RD
AUTO
RD-YE
RD-BU
GN-BK
MAN MTX75/B6
4-Cyl D, 4-Cyl P 2,0
TAIL TURN
FOG
BACK
TAILTURN
FOG
BACK
10/17
C:6
10/18
A:3
TAIL
FOG
GND
GND2
TURN
BACK
STOP
10/52
10/17
A:2
TAIL
FOG
BACK
GND
GND2
TURN
STOP
S40
S40
uA
u
A
u
A
I03025
Group 35 Lighting
Reversing lights S40/V50

Table of Contents

Related product manuals