EasyManua.ls Logo

Volvo S40 2012 - Data Communication High Speed CAN

Volvo S40 2012
348 pages
Print Icon
To Next Page IconTo Next Page
To Next Page IconTo Next Page
To Previous Page IconTo Previous Page
To Previous Page IconTo Previous Page
Loading...
TP 39212202 C30/S40 (04-)/V50/C70 (06-) 2012 44
63/223
63/256
63/255
15
CAN
BCM
4/16
CAN
4/56
CEM
G:14
G:15
63/216
BU-RD
GY-RD
A:2
A:2
A:3
A:3
CAN
CAN
6/71
63/215
63/222
GY-RD
BU-RD
64/90
GY-RD
GY-RD
GY-RD
BU-RD
BU-RD
BU-RD
BU-RD
29
25
7/164
CAN
CAN
2
3
17
18
64/113
BU
GY
BU
GY
B:11
B:12
14
6
17/13
GY-RD
GY-RD
BU-RD
GY-RD
GY-RD
BU-RD
BU-RD
BSC
EPS
4/114
HCM
DSTC
A:8
A:5
A:2
A:6
CAN
4/28
TCM
AW 55-51
CAN
B:54
B:41
B:57
B:44
4/46.2
ECM
BU-RD
GY-RD
GY-RD
BU-RD
1
15
64/90
1
15
64/90
ECM
4/46
CAN
A:40
A:52
GY-RD
BU-RD
GY-RD
BU-RD
3/254
CAN
64/112
C:9
C:8
BU-RD
GY-RD
BU-RD
GY-RD
ECM
4/46.7
CAN
B:31
B:19
GY-RD
BU-RD
GY-RD
BU-RD
1
15
64/90
1
15
64/90
CAN
B:54
B:41
B:49
B:50
4/46.3
ECM
GY-RD
BU-RD
CAN
4/28
TCM
MPS6
F:16
F:14
5 CYL
2,0 L D
4 CYL
1,6 L D
5 CYL
2,5 L T
4 CYL
1,6 L
63/226
63/227
1
15
64/90
GY-RD
BU-RD
Ag
Ag
Ag
Ag
Ag
Ag
Ag
Ag
Ag
Ag
ECM
4/46.6
CAN
Y
G
D
R
-
D
R
-
U
B
4 CYL
2,0 L
B:37
B:38
GY-RD
BU-RD
GY-RD
BU-RD
1
15
64/90
5
4
1
15
SWM
I03331
CAN
4/28
TCM
AWF21
A:6
A:14
11
13
CAN
BCM
4/16 EURO 5
18
19
12
BU-RD
GY-RD
BU
GY
B4204S3
(S4)
B5254T7
D5204T
(T5)
B4164S3
D4162T
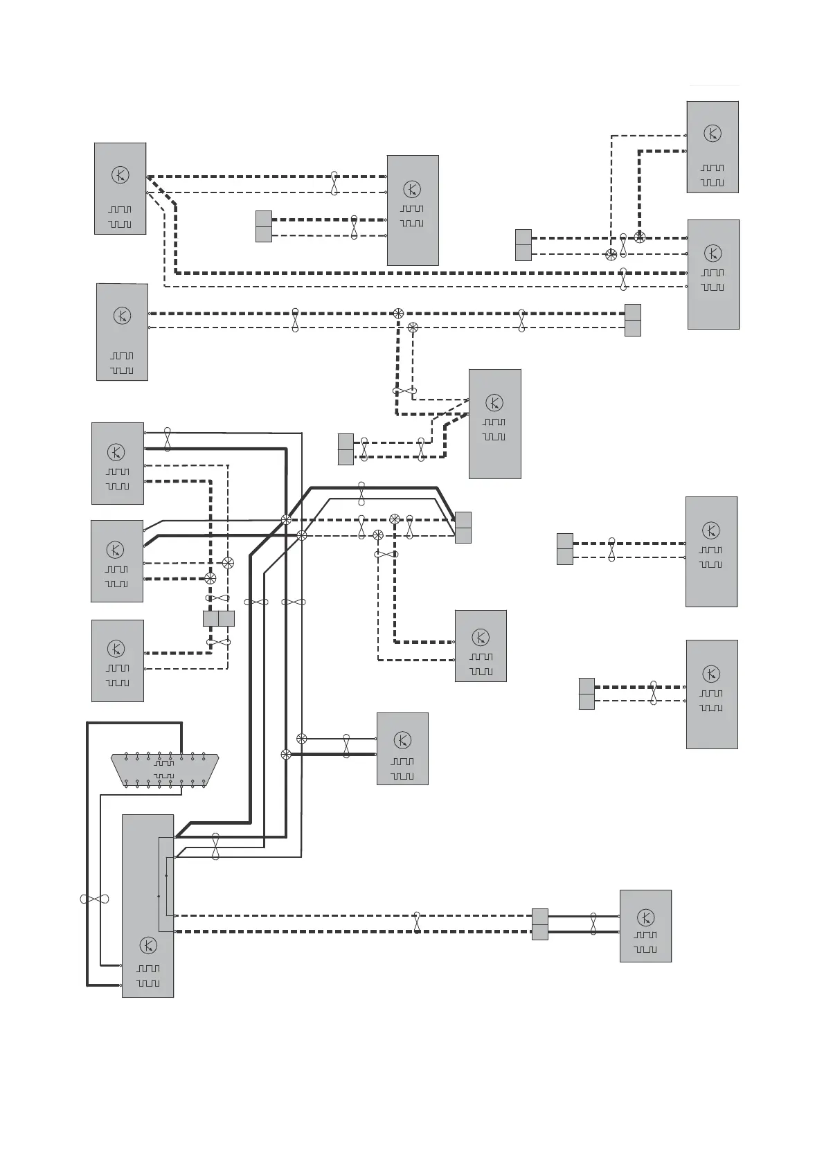
Control modules
Data communication high speed CAN

Table of Contents

Related product manuals