EasyManua.ls Logo

Volvo S40 2012 - Active Headlight, (Dual Xenon)

Volvo S40 2012
348 pages
Print Icon
To Next Page IconTo Next Page
To Next Page IconTo Next Page
To Previous Page IconTo Previous Page
To Previous Page IconTo Previous Page
Loading...
TP 39212202 C30/S40 (04-)/V50/C70 (06-) 2012 73
50 S X 15
3/1
30
5
B:7
RD
RD
64/111
B:3
5
3/254
30+
1
2
SWM
F18
1
2
F4
CAN
CEM
F58 F54
2
2
11
1
2
F59
C:7
31/110
CAN
1
2
F26
R8
2/63
63/91G
63/121
63/109
63/108
63/120
63/6
15/31
RD-BU
RD-YE
E:21
E:22
B:31
A:40
A:17
E:37
E:27
E:11
E:1
WH-VT
BK
BK
BK
BK
BK
LIN
LIN
4/56
31/114
11
14
BK
BK
BK
BK
31/6
5
5
4
4
10
10
9
3
E:25
GN-OG
3
F:3
C:3
E:3D:3D:2E:2
F:2
C:2
96
12
B:4
B:2
6
54
GN-BK
GN-WH
BK-BU
BK-GN
OG-BK
OG-GN
A:37
GN-YE
WH-RD
GN-YE
GN-YE
WH-BK
GN-VT
GN-BK
CAN
9
10
5/1
DIM
A:2
A:3
B:9
B:8
HCM
4/114
CAN
7/121
1
4
5
BN
WH
YE
64/113
19
27
20
7/120
4
1
5
64/50
8
7
9
BN
WH
YE
BN
WH
YE
WH
BN
BK
YE
WH
3/111
0
1
2
SUPPLY
POS 0
POS 1
POS 2
FRONT FOG
REAR FOG
FUEL LID
RF IND.
HEADL LEV
PWR
FF IND.
REOST LEV
ILLUM
GND
LIGHTS ON
FF = FRONT FOG
RF = REAR FOG
3
ABL
612
BK
BK
BK
M
PARK
TURN
Sidemarker
10/2
Actuator
BiLitronic
ECU
Lit5
LEVELING
High
Beam
Low
Beam
Supply
Lin
Gnd
Gnd
Ignitor
10/1
PARK
TURN
Sidemarker
High
Beam
M
LEVELING
Supply
Lin
Gnd
Actuator
BiLitronic
Ignitor
ECU
Lit5
Low
Beam
Gnd
I03091
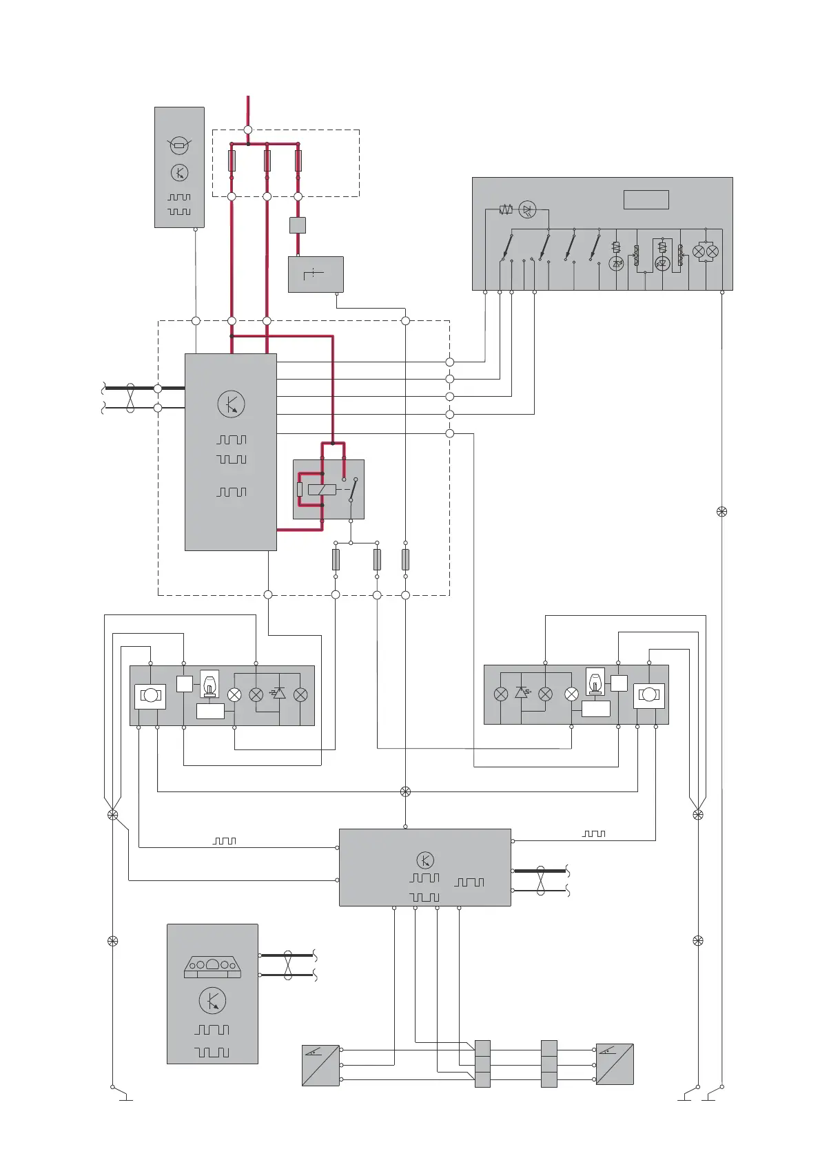
Group 35 Lighting
Active headlight, (Dual Xenon)

Table of Contents

Related product manuals