EasyManua.ls Logo

Volvo S40 2012 - Data Communication most

Volvo S40 2012
348 pages
Print Icon
To Next Page IconTo Next Page
To Next Page IconTo Next Page
To Previous Page IconTo Previous Page
To Previous Page IconTo Previous Page
Loading...
TP 39212202 C30/S40 (04-)/V50/C70 (06-) 2012 45
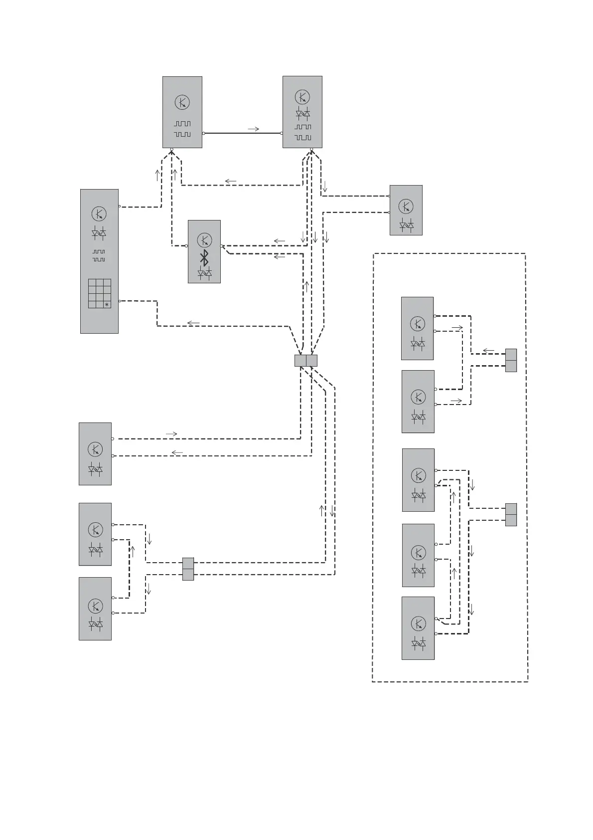
CAN
16/60
PHM
D:1
D:2
#
7
0
8
1
45
2
9
6
3
CAN
ICM
3/281
2
1
64/97
16/108
MMM
C:1
C:2
B:2
B:1
B:1
B:2
16/105
AUD
D:2
D:1
O
O
O
O
O
O
O
O
O
OG
OG
OG
OG
OG
OG
OG
OG
CAN
IAM
16/1
OG
O
OG
OG
OG
O
O
16/105
AUD
16/145
RDAR
2
1
O
O
O
OG
OG
OG
64/978
D:2
D:1
2
1
O
O
16/105
AUD
D:1
D:2
16/79
SUB
C:1
C:2
O
O
O
OG
OG
OG
64/978
1
2
16/79
SUB
D:2
D:1
O
OO
OG
C:2
C:1
16/145
RDAR
16/105
AUD
O
O
OG
OG
OG
OG
OG
64/972
C:2
C:1
2
1
C70
OG
OG
O
O
O
OG
O
OG
O
OG
B:1
16/147
BPM
B:2
G029731
Control modules
Data communication MOST

Table of Contents

Related product manuals