EasyManua.ls Logo

Volvo S40 2012 - Page 87

Volvo S40 2012
348 pages
Print Icon
To Next Page IconTo Next Page
To Next Page IconTo Next Page
To Previous Page IconTo Previous Page
To Previous Page IconTo Previous Page
Loading...
TP 39212202 C30/S40 (04-)/V50/C70 (06-) 2012 87
2
F82
2
F83
11
64/43
3/127
63/171
31/67
A:11
A:12
A:3
CAN
PDM
A:18
63/192
64/47
BK
BN-WH
10
3/110
8
3/77
BK
BK
31/66
BK
4
BK
63/172
3/100
S40/V50
S40/V50
S40/V50
S40/V50
BK
BK-BU
BK
A:11
BK
64/47
2
64/45
BK-OG
2
3/76
BK
10
BK
64/45
63/193
63/198
64/43
20
63/195
3/126
64/41
DDM
F:20
F:18
F:19
F:21
21
CAN
A:18
21
A:3
A:2
BK
BK
C:31
C:24
A:9
BK
BK
A:9
64/41
20
BK
BK
BK
BK
BKBK
BK
CLOCK
DLOCK
UNLOCK
AJAR
4
2
1
2
1
DLOCK
CLOCK
UNLOCK
LOCK
FEEDBACK
LOCK
FEEDBACK
LOCK
FEEDBACK
LHD
8
1
RHD
2
1
2
AJAR
1
CHILD
LOCK
CHILD
LOCK
2
1
2
1
M
M
M
FEEDBACK
LOCK
AJAR
CLOCK
UNLOCK
DLOCK
1
DLOCK
CLOCK
UNLOCK
M
M
1
22
1
M
AJAR
BK
LHD
RHD
1
8
4 4
CEM
A
4/56
3
64/41
BK
64/43
BK
BK
BN-OG
3
31/116 LHD
31/115 RHD
RHD 31/116
LHD 31/115
CAN
LIN
G029852
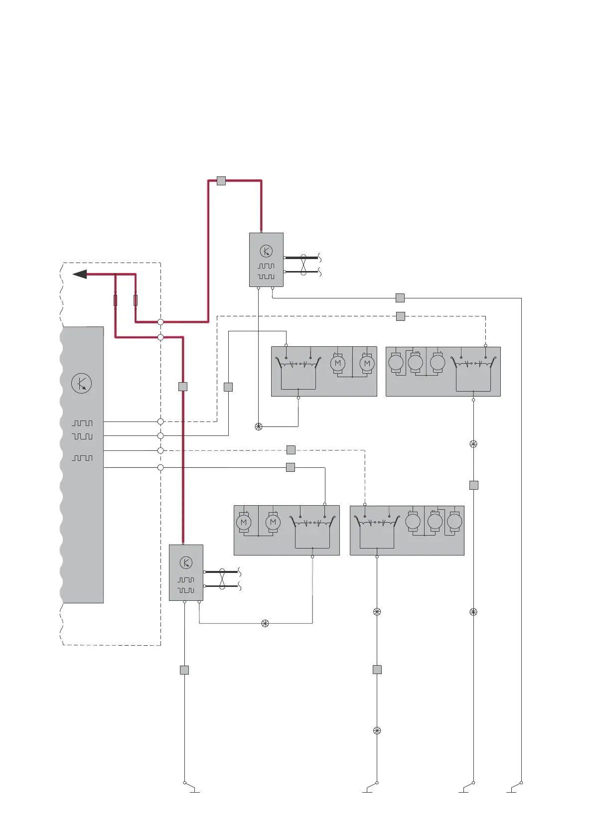
Group 35 Lighting
Interior lighting C30/S40/V50 2:2

Table of Contents

Related product manuals