EasyManua.ls Logo

VST VRP-150 - Ladder Diagram

VST VRP-150
78 pages
Print Icon
To Next Page IconTo Next Page
To Next Page IconTo Next Page
To Previous Page IconTo Previous Page
To Previous Page IconTo Previous Page
Loading...
66
Installation Manual
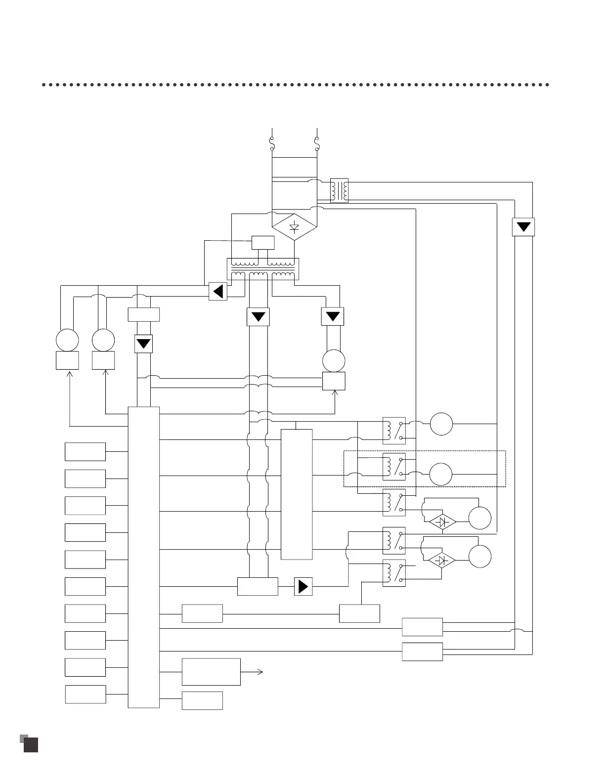
Ladder Diagram
DC
5V
DC
24V
DC
45V
Regulator
FAN
SMPS
Igniter
Water
Adjust
Valve1
Water
Adjust
Valve2
AC
24V
EMI
FILTER
5A
5A
Primary
Secondary
Primary
Secondary
Speed Control
Valve Control
Valve Control
HOT
NEUTRAL
VRP Model Only
DC 24V
Data Read
Link interface
APS
Flow
Sensor1
Flow
Sensor2
Outlet
Thermistor
Hex outlet
Thermistor
Exhaust
Thermistor
Inlet
Thermistor
Fan
Hall Sensor
Dip S/W 1
Dip S/W 2
PUMP
Sol
V/V
Gas
Valve
External
Watchdog
Over heat
Sensor
Gas Valve
Control 2
UART
Communication
interface
Flame
Rod
Condensate
Trap
MCU
Driving
circuit
Front
Palel
※ VRP Model Only