EasyManua.ls Logo

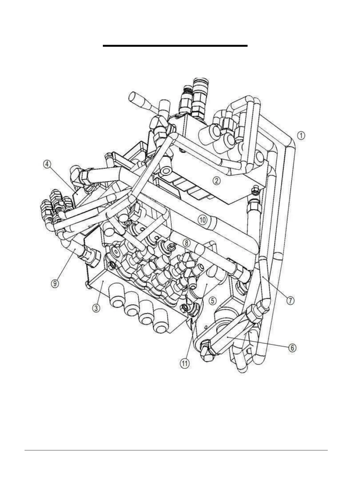
Wacker Neuson DINGO K9-4 - Hydraulic Bank Assembly

Wacker Neuson DINGO K9-4
71 pages
Print Icon
To Next Page IconTo Next Page
To Next Page IconTo Next Page
To Previous Page IconTo Previous Page
To Previous Page IconTo Previous Page
Loading...
Hydraulic Bank Assembly
DINGO K94 - SERIES I, II, III Revision 1.3 September 2020
Page 26

Table of Contents

Related product manuals