EasyManua.ls Logo

Wacker Neuson DINGO K9-4 - Remote Control Bank Assembly

Wacker Neuson DINGO K9-4
71 pages
Print Icon
To Next Page IconTo Next Page
To Next Page IconTo Next Page
To Previous Page IconTo Previous Page
To Previous Page IconTo Previous Page
Loading...
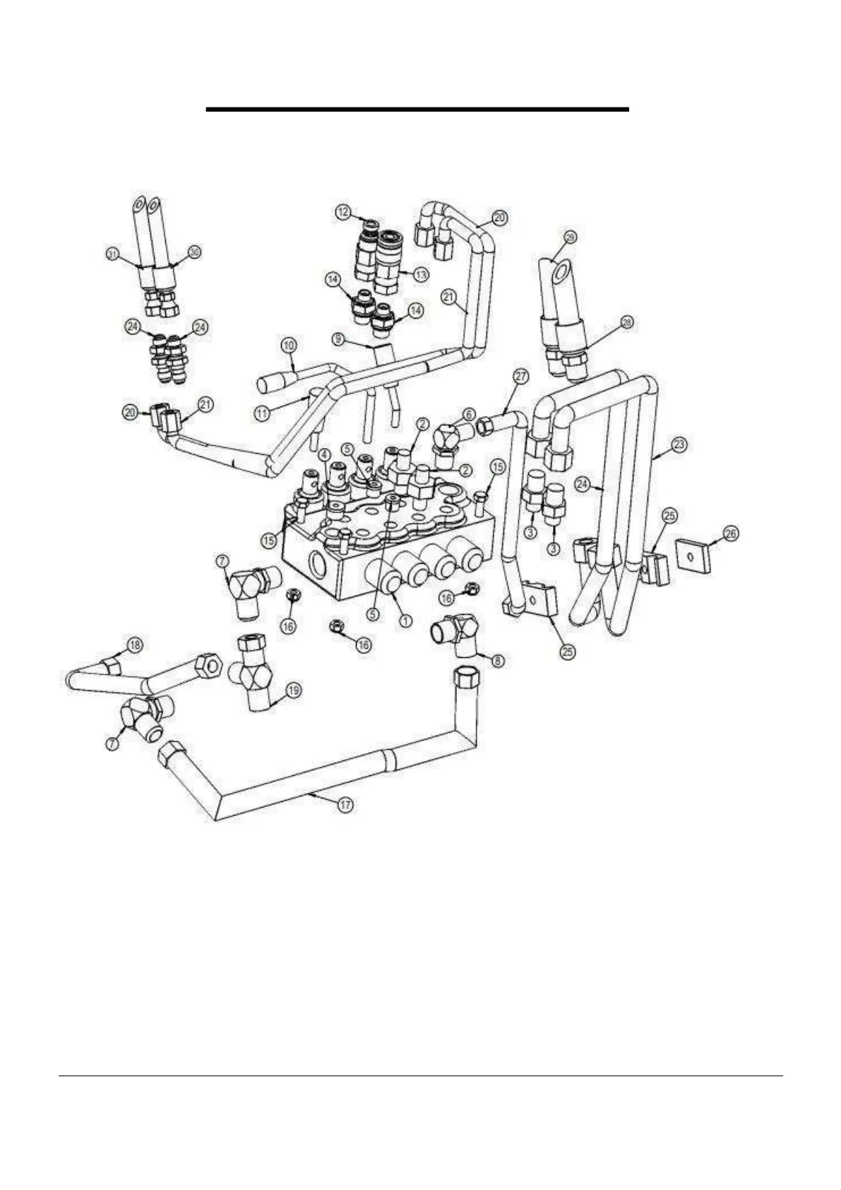
Remote Control Bank Assembly
DINGO K94 - SERIES I, II, III
Revision 1.3 September 2020
Page 34

Table of Contents

Related product manuals