EasyManua.ls Logo

Wacker Neuson LTN6L-V - Schematics

Wacker Neuson LTN6L-V
78 pages
Print Icon
To Next Page IconTo Next Page
To Next Page IconTo Next Page
To Previous Page IconTo Previous Page
To Previous Page IconTo Previous Page
Loading...
wc_tx003106gb.fm
72
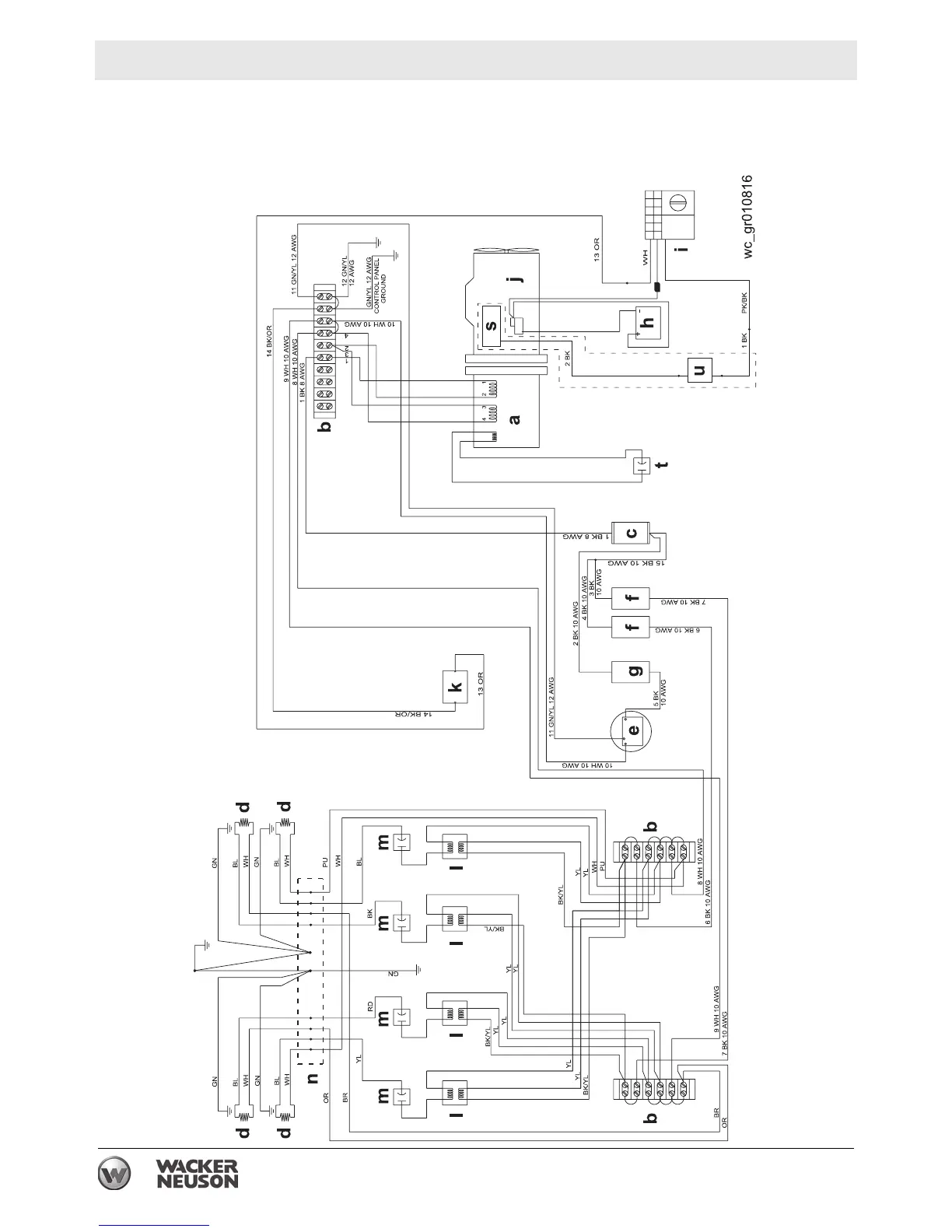
Schematics LTN 6L-V
9 Schematics
9.1 50 Hz

Table of Contents

Related product manuals