EasyManua.ls Logo

Wang 5536 - Page 24

Default Icon
112 pages
Print Icon
To Next Page IconTo Next Page
To Next Page IconTo Next Page
To Previous Page IconTo Previous Page
To Previous Page IconTo Previous Page
Loading...
3402
f
I
r
t
r
I
I
I
'
I
'
t
I
I
I
I
L--
o
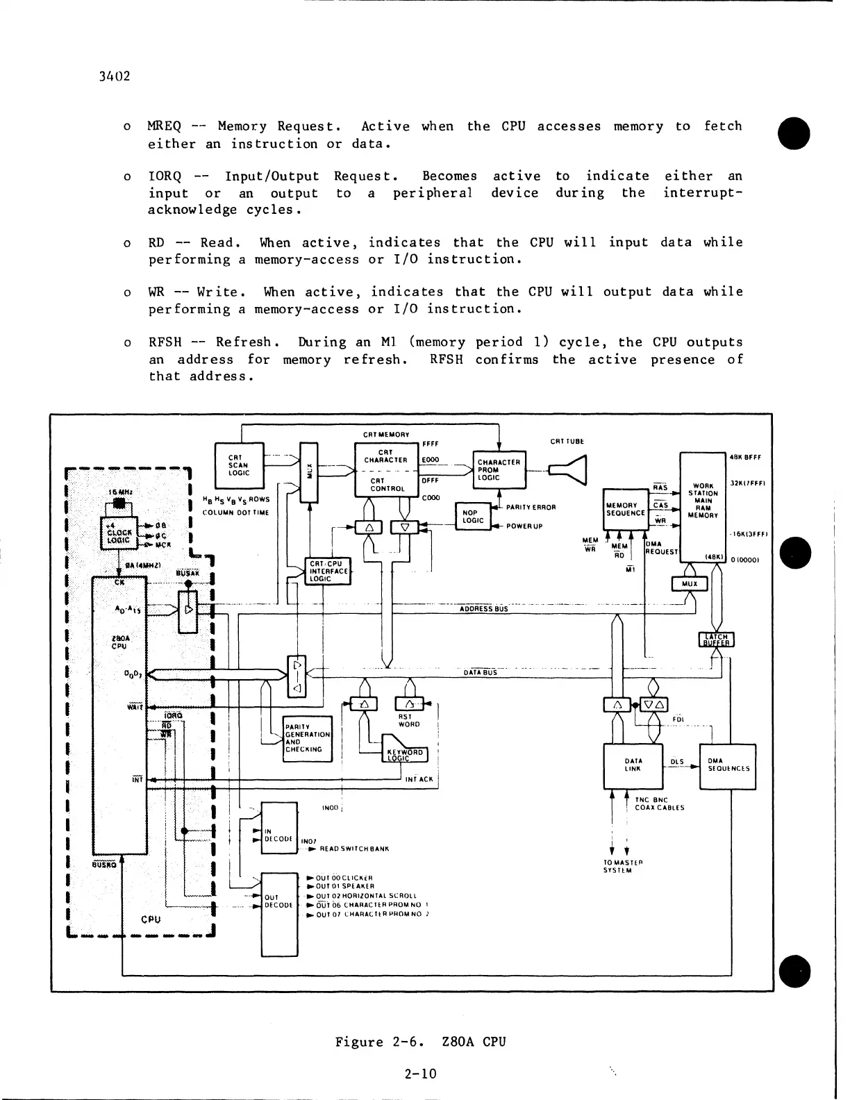
MREQ
--
Memory
Request.
Active
when
the
CPU
accesses
memory
to
fetch
either
an
instruction
or
data.
0
IORQ
Input/Output
input
or
an
output
acknowledge
cycles.
Request.
Becomes
to
a
peripheral
active
device
to
indicate
during
the
either
an
interrupt-
o
RD
--
Read.
When
active,
indicates
that
the
CPU
will
input
data
while
performing
a
memory-access
or
I/O
instruction.
o
WR
--
Wr
i
te
When
active,
indicates
that
the
CPU
will
output
data
while
0
performing
a
memory-access
or
I/O
instruction.
RFSH
--
Refresh.
an
address
for
that
address.
During
an
Ml
(memory
period
1)
cycle,
the
CPU
outputs
memory
refresh.
RFSH
confirms
the
active
presence
of
CRT
SCAN
LOGIC
CRT MEMORY
"e
"s
Ve Vs ROWS
COLUMN
DOT TIME
INOO
N '
IN01
._
READ
SWll
CH
BANK
"
•OUT
OOCllCKtH
•OUT
01
SPEAKER
OUT
·•OUT02HORIZONTAL
SCROLL
DECODE
•6UT06
lHARACHRPROMNO
I
•OUT07
CHAHACHRl-IHOMNO
J
CRT TUBE
PARITY
ERROR
MEM
Wii
ADDRESS BUS
OiiiBUs-·-
Figure
2-6.
Z80A
CPU
2-10
r----.RAS
MEMORY
SEQUENCE
DATA
LINK
CAS
OLS
TNC
BNC
COAX C4BLES
I
' '
TOMASTEfl
SYS
HM
WORK
STATION
MAIN
RAM
MEMORY
14BKI
48K BFFF
l2Kt
TFFFI
· 16K(3FFFI
OMA
SfOUlNCtS

Related product manuals