EasyManua.ls Logo

WattMaster Auto-Zone Plus - Page 149

Default Icon
180 pages
Print Icon
To Next Page IconTo Next Page
To Next Page IconTo Next Page
To Previous Page IconTo Previous Page
To Previous Page IconTo Previous Page
Loading...
Auto-Zone Plus Section 4
Start-Up and Troubleshooting 4-31
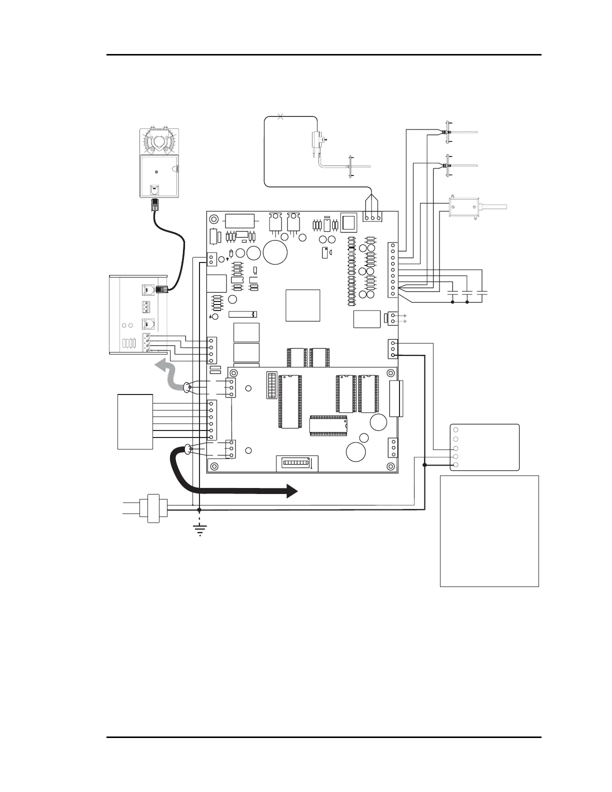
2.2.9 Typical Zone Manager Wiring Diagram
Zone Manager
Notes:
1.)24 VAC Must Be Connected So
That All Ground Wires Remain
Common.
3.)All Communication Wiring To Be 18
Ga. Minimum, 2 Conductor Twisted
Pair With Shield. Belden #82760 Or
Equivalent.
2.)All Wiring To Be In Accordance With
Local And National Electrical Codes
and Specifications.
RS-485
Communications To Zone
Controllers, CV Controllers
And/Or System Manager
Return Air Temp.
Sensor
Supply Air Temp.
Sensor
Line
Voltage
HVAC Unit
24VAC Only
Red
Blk
To Relief / Exhaust Fans
Grn
Static
Pick-up
Static
Pressure
Sensor
Splice As
Required
LO HI
GND
24VAC
Belimo Actuator Wiring Shown
Consult Factory For Other
Models Of Economizer Actuators
Some Actuators Require Isolation
Transformers In Order To Prevent
Damage To The Controller Board.
WARNING!
Use Extreme Care When Wiring
Economizer Actuators
Never Connect Or Disconnect
Wiring With Power Applied!
Never Apply Power If The
Gnd ( 1 Com ) Terminal On The
Actuator Is Not Connected.
See Note 1 &2
+
+
+
+
+
+
+
+
+
HEAT2
HEAT1
COOL2
COOL1
FAN
R
2
8
C
SW1
16
A
B
2
4
ADD
LOCAL
LOOP
Local Loop
T
SH
R
TB3
COMM
T
SH
R
32
16
8
4
1
2
MINILINK
R9
R10
R8
IC
EXP
PORT
PWR
V4
V3
CLOSE
OPEN
FDBK
REC
GND
GND
24VAC
AUX1
OPEN
K1
NETWORK
LOOP
Network Loop RS-485
To Other Zone
Managers and/or
CommLink on
System
SH
R
T
CLOSE
K2
NE5090
ANALOG
OUTPUTS
A2
G
TB2
A1
N.O.
EXHAUST
CONTACTS
GND
GND
AUX3
AUX2
7824
D25
U14
VR3
R40
ADJUST
5.11V
C27
7812
C26
VR2
D1
D3
D4
D2
PJ1
PRESSURE
SENSOR JACK
+5V
R7
OAT
RAT
+12V
SAT
ANALOG
INPUTS
GND
SIG
T
R
SHIELD
T
R
SHIELD
Outdoor Air Temp.
Sensor
(See Note 4)
Aux3
Forced
Occupied
Mode
Aux1
Economizer
Disable
Aux2
Filter
Alarm
Auxiliary Inputs
( Dry Contacts )
R
G
Y1
Y2
W1
W2
Economizer Actuator
133 IN-LB
AF24-SR
1 COM
2+
3Y1
4Y2
5U
BELIMO
Bypass Air Damper
Actuator
10
4.)Only One Outside Air Sensor Is
Required Per System. It May Be
Connected To Any CV Controller Or
Zone Manager On The System. If A
Wetbulb Module Controller Is Used The
OA Sensor Must Be Connected To The
Wetbulb Module.
FROM ZONE
CONTROLLER
BYPASS AND
SLAVE INTERFACE
YS101824
TO ACTUATOR
OPEN
CLOSE
OPEN
GND
PJ1
PJ2
LD2
LD1
CLOSE
TB1
TB2
Bypass Interface Card
OPEN
CLOSE
FDBK
GND
Figure 4-10: Typical Zone Manager Wiring Diagram
firealarmresources.com

Table of Contents

Related product manuals