EasyManua.ls Logo

Webasto thermo top evo

Webasto thermo top evo
48 pages
To Next Page IconTo Next Page
To Next Page IconTo Next Page
To Previous Page IconTo Previous Page
To Previous Page IconTo Previous Page
Loading...
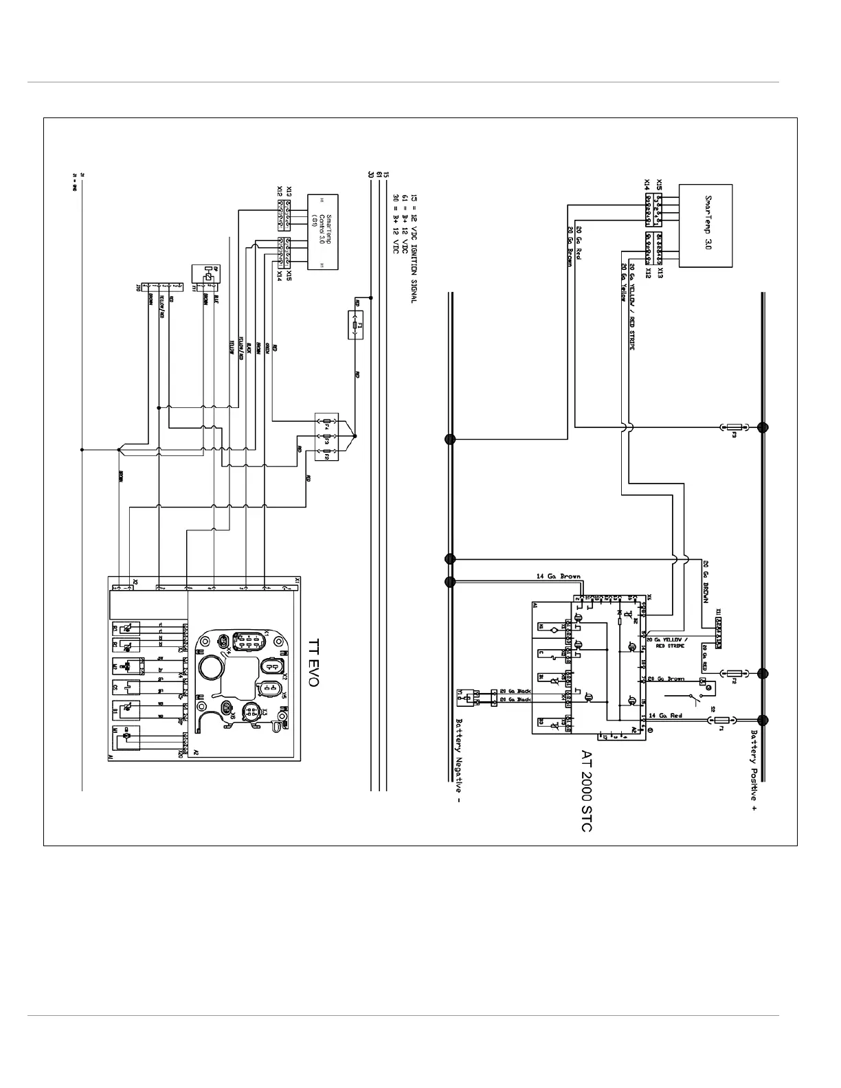
12 | Wiring Diagrams
35
12.5
Thermo Top EVO with Enclosure Box
Fig. 37: Tandem 717 wiring diagram - SmarTemp 3.0 (Thermo Top Evo left, Air Top 2000STC right)

Table of Contents

Other manuals for Webasto thermo top evo

Related product manuals