EasyManua.ls Logo

Whirlpool RBD306PD - Self-Clean Cycle Operation

Whirlpool RBD306PD
59 pages
Print Icon
To Next Page IconTo Next Page
To Next Page IconTo Next Page
To Previous Page IconTo Previous Page
To Previous Page IconTo Previous Page
Loading...
3-4
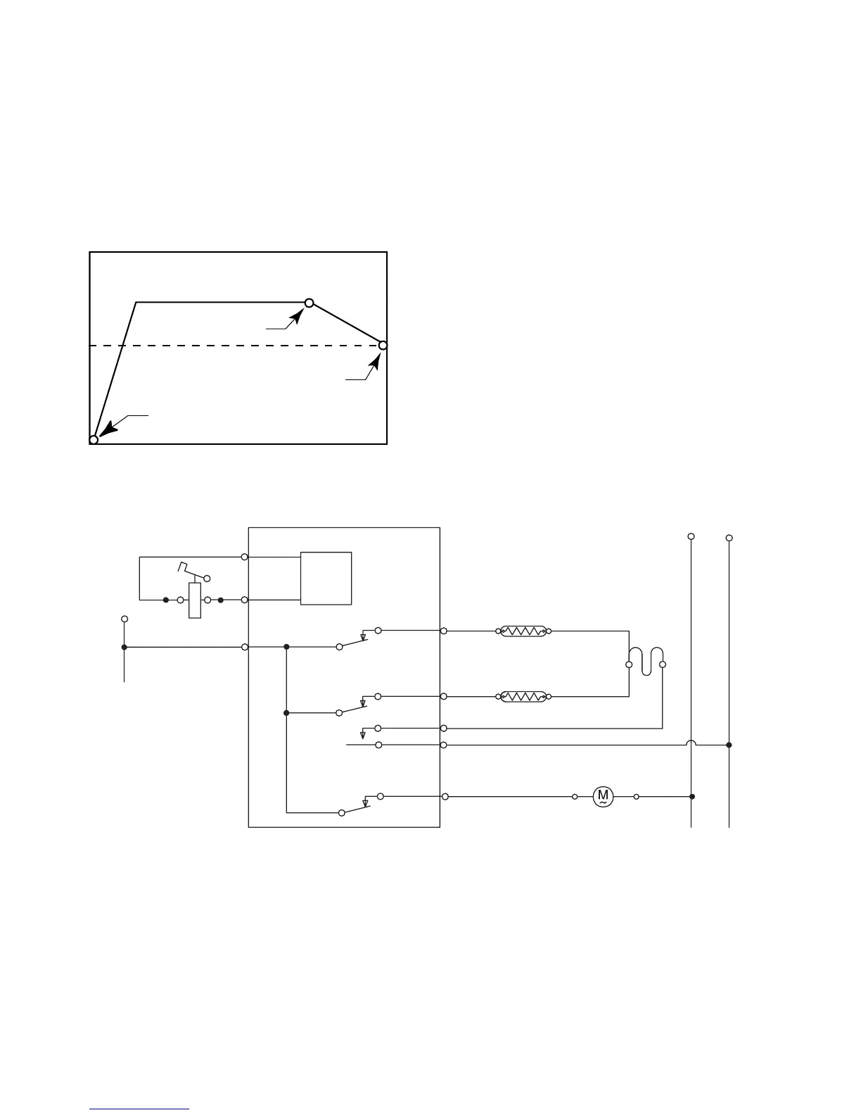
The Self-Clean cycle uses high heat to burn
away soil and grease from inside the oven.
During this cycle, the oven will get much hotter
than it does under normal baking and broiling
conditions (see the following chart).
The oven is preset for a 3-
1
/2 hour Self-Clean
cycle. However, you can adjust this cycle time
to between 2-
1
/2 and 4-
1
/2 hours. The chart
shows a normal 3-
1
/2 hour Self-Clean cycle.
Note that although the heating turns off after 3-
hours, the door will remain locked for an addi-
tional
1
/2 hour so the oven can cool sufficiently.
If the latch switch is not satisfied during the
clean operation, the cycle is terminated, and
the display will show “close door” on convec-
tion models. On non-convection models, “door”
will be displayed (see the strip circuit below).
(NORMAL BROILING TEMPERATURE)
DOOR UNLOCKS
(FAN STAYS ON)
DOOR LOCKS
875˚F (468˚C)
CLEANING CYCLE
OVEN SHUTS OFF
TIME (IN HOURS)
START 1 2 3 STOP
TEMPERATURE
HOW THE SELF-CLEAN CYCLE WORKS
BAKE-2000W
R
L1
L2
N
BROIL-3000W
OR
OR
GY
BLOWER
W
BK
P18-1
(P26-2)
R
Y
(Y/W)
(GY/W)
(BR)(BR)
GY
DOOR LOCK
SOLENOID
LATCH
DRIVE
CIRCUIT
+
-
P25-1
P25-2
P18-4
(P26-4)
P24-5
(P27-2)
*
(*)
(P25-3)
(P25-4)
R/W
R
DOUBLE
LINE
BREAK
RELAY

Table of Contents

Related product manuals