EasyManua.ls Logo

Whirlpool RBD306PD - Wiring Diagrams and Strip Circuits; Schematic Diagram 1

Whirlpool RBD306PD
59 pages
Print Icon
To Next Page IconTo Next Page
To Next Page IconTo Next Page
To Previous Page IconTo Previous Page
To Previous Page IconTo Previous Page
Loading...
7-1
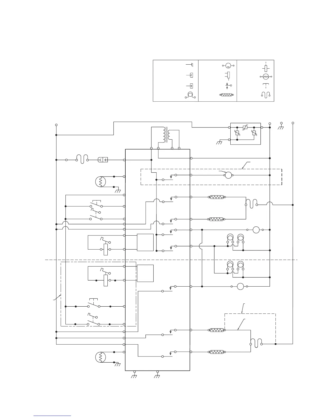
WIRING DIAGRAMS & STRIP CIRCUITS
SCHEMATIC DIAGRAM 1
PART NO. 4451887 REV. C
THERMAL
FUSE/T.O.D.
GROUND (CHASSIS)
PLUG WITH FEMALE
CONNECTOR
RECEPTACLE WITH
MALE CONNECTOR
LIGHT
AC DRIVE
MOTOR
RELAY
CONTACTS
HEATING
ELEMENT
SOLENOID
ENCLOSED
THERMISTOR
OPERATED
BY DOOR
RELAY COIL
M
t
°
WIRE HARNESS SCHEMATIC
NOTES:
• When replacing the electronic control,
be sure to program the cavity size (see
page 6-1).
• Dots indicate connections or splices.
• The circuit is shown in the STANDBY/OFF
mode with the oven door closed.
L1
L2
GND
N
CONTROL PANEL
THERMAL FUSE
CONTROL POWER
TRANSFORMER
ELECTRONIC FILTER
WP - #4451985
TEMP SENSOR5
1080
@ 70˚F/21˚C
1654
@ 350˚F/177˚C
TEMP SENSOR5
1080
@ 70˚F/21˚C
1654
@ 350˚F/177˚C
SWITCH PULSE
+5V
DOOR SW
DOOR SW
ON LATCH ASSY
ON LATCH ASSY
TAN
TAN
TAN
LATCH SW
LATCH SW
TAN
OPERATED
BY SOLENOID
OPERATED
BY SOLENOID
DOOR LOCK
SOLENOID
DOOR LOCK
SOLENOID 18 VDC
UPPER
LOWER
CONVECTION
ONLY
CONV. FAN
BAKE - 2000 W
BROIL - 3000 W
BAKE - 2000 W
BROIL - 3000 W
M
M
M
SELF-CLEAN
MODELS ONLY
LOWER
LATCH
DRIVE
CIRCUIT
UPPER
LATCH
DRIVE
CIRCUIT
+
+
STANDARD CLEAN
MODELS ONLY
SELF CLEAN
MODELS ONLY
OVEN
SHUTDOWN
THERMAL FUSE
OVEN
SHUTDOWN
THERMAL FUSE
BLOWER
BLOWER
INCANDESCENT
15W BULBS
INCANDESCENT
15W BULBS
R
R
BU
BU
BK BK
W
W
V
GN
BR
BU
BK
BK
GY
Y
Y/W
BR/W
BR
BR
TAN BR
BR
BU/W
BR
BK
BK
BK
V/W
GN
GN GN
W
W
GY/W
BR
OR OR
R
GY
BK
GY
OR
OR
WW
W
W
W
W
BK
BK
BK
BK
OR
W
R
R
R
R
RR
R
P24-3
P23-4
P23-1
P23-2
P23-3
P18-3
P18-5 P18-7
P18-2 P18-3
P24-1
P24-5
P24-4
P27-2
P26-4
P26-2
P24-6
P18-4
P18-1
P18-2
P25-1
P25-2
P25-3
P25-4
P23-8
P23-7
P27-4
P26-3
P26-1
P23-5
P16-1 P23-6

Table of Contents

Related product manuals